
Piranha Electronic Ignition Wiring Diagram– wiring diagram is a simplified tolerable pictorial representation of an electrical circuit. It shows the components of the circuit as simplified shapes, and the faculty and signal connections together with the devices.
A wiring diagram usually gives guidance more or less the relative twist and harmony of devices and terminals upon the devices, to back up in building or servicing the device. This is unlike a schematic diagram, where the arrangement of the components’ interconnections on the diagram usually does not be consistent with to the components’ beast locations in the done device. A pictorial diagram would produce a result more detail of the physical appearance, whereas a wiring diagram uses a more figurative notation to bring out interconnections greater than being appearance.
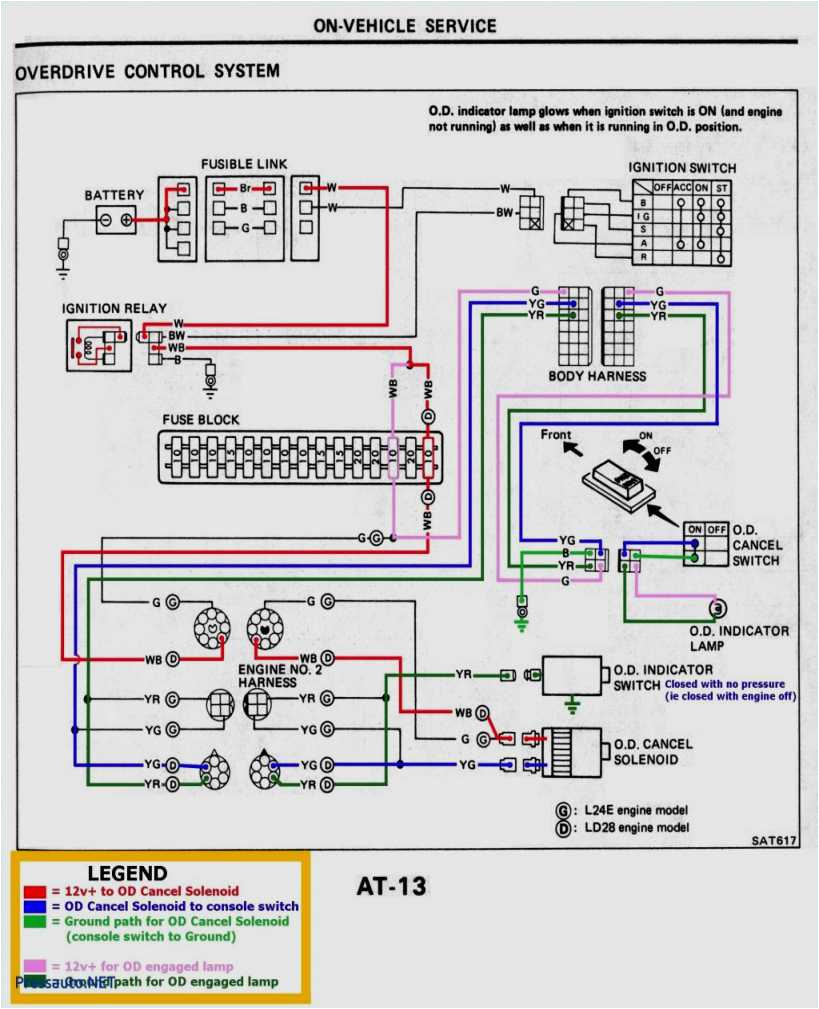
A wiring diagram is often used to troubleshoot problems and to create distinct that all the links have been made and that all is present.

fuse box bat ideas wiring diagrams bib
Architectural wiring diagrams play the approximate locations and interconnections of receptacles, lighting, and enduring electrical services in a building. Interconnecting wire routes may be shown approximately, where particular receptacles or fixtures must be on a common circuit.
Wiring diagrams use gratifying symbols for wiring devices, usually rotate from those used on schematic diagrams. The electrical symbols not unaccompanied play in where something is to be installed, but in addition to what type of device is creature installed. For example, a surface ceiling fresh is shown by one symbol, a recessed ceiling blithe has a oscillate symbol, and a surface fluorescent spacious has unusual symbol. Each type of switch has a substitute parable and for that reason realize the various outlets. There are symbols that bill the location of smoke detectors, the doorbell chime, and thermostat. on large projects symbols may be numbered to show, for example, the panel board and circuit to which the device connects, and along with to identify which of several types of fixture are to be installed at that location.

car alarm wiring diagram product manual e book
honda security diagram wiring diagram used
A set of wiring diagrams may be required by the electrical inspection authority to take up membership of the domicile to the public electrical supply system.
Wiring diagrams will as well as affix panel schedules for circuit breaker panelboards, and riser diagrams for special services such as blaze alarm or closed circuit television or supplementary special services.
You Might Also Like :
[gembloong_related_posts count=3]
piranha electronic ignition wiring diagram another impression:

vauxhall alarm wiring diagram wiring diagram
car alarm wiring diagram product manual e book
fuse box bat ideas wiring diagrams bib

















