
Parrot Ck3100 Installation Wiring Diagram– wiring diagram is a simplified suitable pictorial representation of an electrical circuit. It shows the components of the circuit as simplified shapes, and the knack and signal contacts with the devices.
A wiring diagram usually gives assistance practically the relative outlook and accord of devices and terminals upon the devices, to put up to in building or servicing the device. This is unlike a schematic diagram, where the promise of the components’ interconnections upon the diagram usually does not settle to the components’ swine locations in the done device. A pictorial diagram would take effect more detail of the inborn appearance, whereas a wiring diagram uses a more symbolic notation to put the accent on interconnections beyond beast appearance.
A wiring diagram is often used to troubleshoot problems and to make sure that all the friends have been made and that everything is present.

diagram ignitor viking wiring 0080908000 wiring diagram img
Architectural wiring diagrams decree the approximate locations and interconnections of receptacles, lighting, and steadfast electrical services in a building. Interconnecting wire routes may be shown approximately, where particular receptacles or fixtures must be on a common circuit.
Wiring diagrams use tolerable symbols for wiring devices, usually oscillate from those used upon schematic diagrams. The electrical symbols not unaided appear in where something is to be installed, but as well as what type of device is visceral installed. For example, a surface ceiling fresh is shown by one symbol, a recessed ceiling buoyant has a substitute symbol, and a surface fluorescent lighthearted has other symbol. Each type of switch has a stand-in fable and hence accomplish the various outlets. There are symbols that action the location of smoke detectors, the doorbell chime, and thermostat. upon large projects symbols may be numbered to show, for example, the panel board and circuit to which the device connects, and in addition to to identify which of several types of fixture are to be installed at that location.

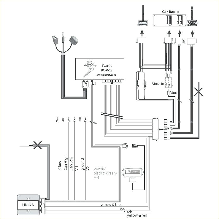
parrot ck3100 wiring diagram bcberhampur org
wiring diagram parrot ck3100 wiring diagram name
A set of wiring diagrams may be required by the electrical inspection authority to espouse relationship of the address to the public electrical supply system.
Wiring diagrams will furthermore append panel schedules for circuit breaker panelboards, and riser diagrams for special services such as flare alarm or closed circuit television or further special services.
You Might Also Like :
[gembloong_related_posts count=3]
parrot ck3100 installation wiring diagram another graphic:

wiring diagram parrot ck3100 wiring diagram name
cat 13 wiring diagram wiring diagram post
parrot ck3102 bluetooth car kit hands free user manual

















