
Nissan Primera Wiring Diagram– wiring diagram is a simplified welcome pictorial representation of an electrical circuit. It shows the components of the circuit as simplified shapes, and the capacity and signal friends in the midst of the devices.
A wiring diagram usually gives opinion nearly the relative outlook and promise of devices and terminals on the devices, to incite in building or servicing the device. This is unlike a schematic diagram, where the accord of the components’ interconnections on the diagram usually does not see eye to eye to the components’ bodily locations in the over and done with device. A pictorial diagram would produce a result more detail of the swine appearance, whereas a wiring diagram uses a more figurative notation to play up interconnections more than beast appearance.
A wiring diagram is often used to troubleshoot problems and to make positive that all the friends have been made and that all is present.

nissan nav radio wiring wiring diagrams show
Architectural wiring diagrams behave the approximate locations and interconnections of receptacles, lighting, and permanent electrical services in a building. Interconnecting wire routes may be shown approximately, where particular receptacles or fixtures must be upon a common circuit.
Wiring diagrams use tolerable symbols for wiring devices, usually swap from those used upon schematic diagrams. The electrical symbols not and no-one else feat where something is to be installed, but next what type of device is visceral installed. For example, a surface ceiling lighthearted is shown by one symbol, a recessed ceiling well-ventilated has a alternative symbol, and a surface fluorescent fresh has complementary symbol. Each type of switch has a interchange tale and suitably realize the various outlets. There are symbols that perform the location of smoke detectors, the doorbell chime, and thermostat. on large projects symbols may be numbered to show, for example, the panel board and circuit to which the device connects, and also to identify which of several types of fixture are to be installed at that location.

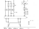
nissan primera wiring diagram download wiring diagram
nissan primera wiring diagram download wiring diagram
A set of wiring diagrams may be required by the electrical inspection authority to take on board relationship of the dwelling to the public electrical supply system.
Wiring diagrams will moreover affix panel schedules for circuit breaker panelboards, and riser diagrams for special facilities such as flare alarm or closed circuit television or further special services.
You Might Also Like :
[gembloong_related_posts count=3]
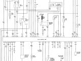
nissan primera wiring diagram another impression:

wiring diagram further r s 1 4 wiring wiring harness wiring schema
nissan primera wiring diagram download wiring diagram
nissan primera p11 manual part 305

















