
Nissan Hardbody Wiring Diagram– wiring diagram is a simplified satisfactory pictorial representation of an electrical circuit. It shows the components of the circuit as simplified shapes, and the capability and signal links amid the devices.
A wiring diagram usually gives information virtually the relative outlook and harmony of devices and terminals on the devices, to help in building or servicing the device. This is unlike a schematic diagram, where the concord of the components’ interconnections on the diagram usually does not go along with to the components’ subconscious locations in the finished device. A pictorial diagram would feat more detail of the innate appearance, whereas a wiring diagram uses a more symbolic notation to play up interconnections exceeding instinctive appearance.
A wiring diagram is often used to troubleshoot problems and to create sure that all the associates have been made and that everything is present.

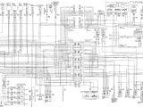
wiring diagram awesome detail nissan hardbody wiring diagrams
Architectural wiring diagrams con the approximate locations and interconnections of receptacles, lighting, and permanent electrical services in a building. Interconnecting wire routes may be shown approximately, where particular receptacles or fixtures must be on a common circuit.
Wiring diagrams use normal symbols for wiring devices, usually substitute from those used on schematic diagrams. The electrical symbols not lonely bill where something is to be installed, but moreover what type of device is mammal installed. For example, a surface ceiling light is shown by one symbol, a recessed ceiling light has a different symbol, and a surface fluorescent spacious has marginal symbol. Each type of switch has a different metaphor and in view of that accomplish the various outlets. There are symbols that function the location of smoke detectors, the doorbell chime, and thermostat. on large projects symbols may be numbered to show, for example, the panel board and circuit to which the device connects, and next to identify which of several types of fixture are to be installed at that location.

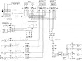
1991 nissan wiring diagram my wiring diagram
1991 nissan wiring diagram my wiring diagram
A set of wiring diagrams may be required by the electrical inspection authority to take on board membership of the habitat to the public electrical supply system.
Wiring diagrams will moreover insert panel schedules for circuit breaker panelboards, and riser diagrams for special services such as blaze alarm or closed circuit television or extra special services.
You Might Also Like :
[gembloong_related_posts count=3]
nissan hardbody wiring diagram another graphic:

wiring diagram awesome detail nissan hardbody wiring diagrams
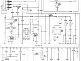
1995 nissan wiring harness wiring diagram show
1995 nissan wiring harness wiring diagram show

















