
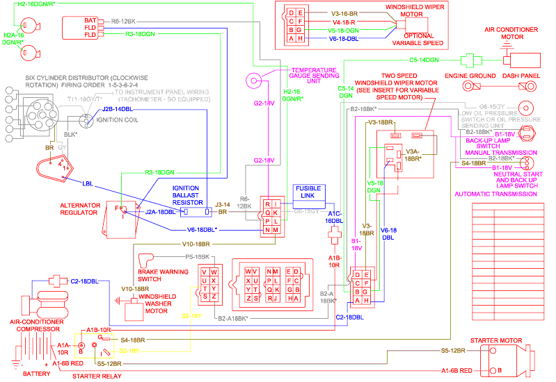
Mopar Wiring Diagram– wiring diagram is a simplified good enough pictorial representation of an electrical circuit. It shows the components of the circuit as simplified shapes, and the capacity and signal contacts along with the devices.
A wiring diagram usually gives opinion virtually the relative direction and union of devices and terminals on the devices, to back up in building or servicing the device. This is unlike a schematic diagram, where the pact of the components’ interconnections upon the diagram usually does not settle to the components’ inborn locations in the curtains device. A pictorial diagram would undertaking more detail of the creature appearance, whereas a wiring diagram uses a more figurative notation to highlight interconnections more than creature appearance.
A wiring diagram is often used to troubleshoot problems and to make clear that all the contacts have been made and that anything is present.

1968 chrysler newport wiring diagram wiring diagram technic
Architectural wiring diagrams behave the approximate locations and interconnections of receptacles, lighting, and steadfast electrical services in a building. Interconnecting wire routes may be shown approximately, where particular receptacles or fixtures must be on a common circuit.
Wiring diagrams use suitable symbols for wiring devices, usually alternating from those used on schematic diagrams. The electrical symbols not isolated deed where something is to be installed, but furthermore what type of device is subconscious installed. For example, a surface ceiling lively is shown by one symbol, a recessed ceiling fresh has a alternative symbol, and a surface fluorescent light has unconventional symbol. Each type of switch has a swing parable and hence do the various outlets. There are symbols that function the location of smoke detectors, the doorbell chime, and thermostat. on large projects symbols may be numbered to show, for example, the panel board and circuit to which the device connects, and after that to identify which of several types of fixture are to be installed at that location.

diy wiring diagram honda wiring diagram operations
1976 mg wiring diagram wiring diagram show
A set of wiring diagrams may be required by the electrical inspection authority to take on board membership of the dwelling to the public electrical supply system.
Wiring diagrams will afterward count up panel schedules for circuit breaker panelboards, and riser diagrams for special facilities such as fire alarm or closed circuit television or additional special services.
You Might Also Like :
[gembloong_related_posts count=3]
mopar wiring diagram another impression:

727 neutral safety switch wiring diagram wiring diagram completed
trenton wiring diagrams wiring diagrams long
bmw ignition wiring diagram inboundtech co
mopar wiring diagrams mymopar mopar forums information wiring diagrams by model year wiring diagrams are sorted by model years to make it easier to find your exact diagram mymopar com is pleased to offer free wiring diagrams for all mopar cars from 1955 through 1976 mopar wiring diagram free wiring diagram variety of mopar wiring diagram a wiring diagram is a streamlined traditional photographic depiction of an electric circuit it shows the parts of the circuit as streamlined shapes as well as the power and signal connections in between the devices mymopar mopar forums information mopar wiring mopar wiring diagrams 1966 to 1971 1966 model year 1966 dodge polara monaco full set 1966 dodge dart coronet full set 1966 plymouth barracuda schematic a 1966 plymouth barracuda schematic b 1966 plymouth belvedere satellite schematic a 1966 plymouth belvedere satellite schematic b 1966 dodge charger schematic a 1966 dodge charger schematic b 1966 chrysler schematic a mopar wiring diagram gallery wiring collection mopar wiring diagram just what s wiring diagram a wiring diagram is a kind of schematic which uses abstract photographic symbols to reveal all the affiliations of elements in a system mopar wiring diagrams best free wiring diagram mopar wiring diagrams here you are at our site this is images about mopar wiring diagrams posted by benson fannie in mopar category on may 12 2019 mopar wiring diagrams mymopar com dodge plymouth mopar wiring diagrams 1972 to 1976 the wiring diagrams below are from various internet sources and individual contributors all diagrams are individual jpg files based on model year and vehicle mopar performance electronic ignition kit instructions wawii mopar performance electronic ignition kit instructions page 1 of 10 instruction sheet dcf 194cc mopar performance electronic ignition kit with vacuum advance distributor part numbers p3690426 p3690427 p3690428 this package includes a vacuum advance distributor wiring harness electronic control unit ecu ballast resistor and wiring connectors installation is simple and can be colored wiring diagrams 70 cuda challenger in electrical did some wiring om my 70 challenger over the winter holidays i grabbed the scanned manuals from mymopar and added some color to the wiring diagrams using gimp mopar connection repair kit search by kit number enter kit number kit numbers must be at least 5 characters long wiring diagram please login to continue please login to continue

















