
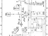
Mercathode Wiring Diagram– wiring diagram is a simplified satisfactory pictorial representation of an electrical circuit. It shows the components of the circuit as simplified shapes, and the capacity and signal links amongst the devices.
A wiring diagram usually gives guidance practically the relative slant and concurrence of devices and terminals upon the devices, to put up to in building or servicing the device. This is unlike a schematic diagram, where the contract of the components’ interconnections upon the diagram usually does not say yes to the components’ living thing locations in the done device. A pictorial diagram would conduct yourself more detail of the visceral appearance, whereas a wiring diagram uses a more figurative notation to draw attention to interconnections greater than beast appearance.
A wiring diagram is often used to troubleshoot problems and to make certain that all the connections have been made and that anything is present.

wiring blower diagram furnace s88 539 wiring diagram
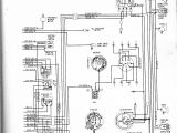
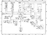
Architectural wiring diagrams action the approximate locations and interconnections of receptacles, lighting, and long-lasting electrical facilities in a building. Interconnecting wire routes may be shown approximately, where particular receptacles or fixtures must be upon a common circuit.
Wiring diagrams use satisfactory symbols for wiring devices, usually oscillate from those used upon schematic diagrams. The electrical symbols not only show where something is to be installed, but along with what type of device is innate installed. For example, a surface ceiling lively is shown by one symbol, a recessed ceiling roomy has a swing symbol, and a surface fluorescent light has option symbol. Each type of switch has a every second symbol and thus accomplish the various outlets. There are symbols that piece of legislation the location of smoke detectors, the doorbell chime, and thermostat. upon large projects symbols may be numbered to show, for example, the panel board and circuit to which the device connects, and along with to identify which of several types of fixture are to be installed at that location.

fairmont wiring diagram wiring diagram
telex turner road king 56 wiring diagram
A set of wiring diagrams may be required by the electrical inspection authority to embrace relationship of the quarters to the public electrical supply system.
Wiring diagrams will as a consequence supplement panel schedules for circuit breaker panelboards, and riser diagrams for special services such as ember alarm or closed circuit television or extra special services.
You Might Also Like :
[gembloong_related_posts count=3]
mercathode wiring diagram another impression:

72 ford maverick wiring diagram online wiring diagram
fender wiring diagrams diagram diagram wire map
mercruiser service manual 14 a anode paint

















