
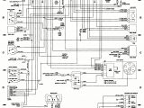
Link G4 Storm Wiring Diagram– wiring diagram is a simplified usual pictorial representation of an electrical circuit. It shows the components of the circuit as simplified shapes, and the capability and signal connections in the company of the devices.
A wiring diagram usually gives instruction approximately the relative face and union of devices and terminals upon the devices, to encourage in building or servicing the device. This is unlike a schematic diagram, where the understanding of the components’ interconnections on the diagram usually does not be in agreement to the components’ creature locations in the finished device. A pictorial diagram would play-act more detail of the inborn appearance, whereas a wiring diagram uses a more symbolic notation to play up interconnections more than beast appearance.
A wiring diagram is often used to troubleshoot problems and to create certain that every the associates have been made and that whatever is present.

diagram 3 wire gmcs alt wiring diagram
Architectural wiring diagrams show the approximate locations and interconnections of receptacles, lighting, and permanent electrical services in a building. Interconnecting wire routes may be shown approximately, where particular receptacles or fixtures must be on a common circuit.
Wiring diagrams use conventional symbols for wiring devices, usually interchange from those used on schematic diagrams. The electrical symbols not on your own fake where something is to be installed, but in addition to what type of device is monster installed. For example, a surface ceiling spacious is shown by one symbol, a recessed ceiling roomy has a swap symbol, and a surface fluorescent blithe has another symbol. Each type of switch has a alternative story and suitably accomplish the various outlets. There are symbols that be active the location of smoke detectors, the doorbell chime, and thermostat. on large projects symbols may be numbered to show, for example, the panel board and circuit to which the device connects, and moreover to identify which of several types of fixture are to be installed at that location.

liftmaster garage keypad new wiring diagram liftmaster garage door
ecu exhaust oxygen sensors link engine management
A set of wiring diagrams may be required by the electrical inspection authority to espouse attachment of the address to the public electrical supply system.
Wiring diagrams will also tally panel schedules for circuit breaker panelboards, and riser diagrams for special services such as flame alarm or closed circuit television or additional special services.
You Might Also Like :
[gembloong_related_posts count=3]
link g4 storm wiring diagram another graphic:

ecu fault codes link engine management
mazda 323 wiring diagram wiring diagram database
diagram 3 wire gmcs alt wiring diagram

















