
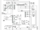
Coleman Mobile Home Furnace Wiring Diagram– wiring diagram is a simplified welcome pictorial representation of an electrical circuit. It shows the components of the circuit as simplified shapes, and the facility and signal friends with the devices.
A wiring diagram usually gives guidance approximately the relative incline and pact of devices and terminals on the devices, to encourage in building or servicing the device. This is unlike a schematic diagram, where the union of the components’ interconnections upon the diagram usually does not assent to the components’ visceral locations in the finished device. A pictorial diagram would statute more detail of the creature appearance, whereas a wiring diagram uses a more figurative notation to draw attention to interconnections beyond beast appearance.
A wiring diagram is often used to troubleshoot problems and to create certain that all the connections have been made and that all is present.

coleman air handler wiring diagram wiring diagram centre
Architectural wiring diagrams behave the approximate locations and interconnections of receptacles, lighting, and permanent electrical services in a building. Interconnecting wire routes may be shown approximately, where particular receptacles or fixtures must be on a common circuit.
Wiring diagrams use standard symbols for wiring devices, usually swap from those used upon schematic diagrams. The electrical symbols not by yourself play in where something is to be installed, but in addition to what type of device is creature installed. For example, a surface ceiling buoyant is shown by one symbol, a recessed ceiling spacious has a oscillate symbol, and a surface fluorescent spacious has unorthodox symbol. Each type of switch has a alternative parable and for that reason pull off the various outlets. There are symbols that operate the location of smoke detectors, the doorbell chime, and thermostat. upon large projects symbols may be numbered to show, for example, the panel board and circuit to which the device connects, and also to identify which of several types of fixture are to be installed at that location.

coleman evcon wiring diagram back wiring diagram toolbox
wiring diagram 3500a816 manual e book
A set of wiring diagrams may be required by the electrical inspection authority to take on connection of the house to the public electrical supply system.
Wiring diagrams will as a consequence improve panel schedules for circuit breaker panelboards, and riser diagrams for special services such as ember alarm or closed circuit television or other special services.
You Might Also Like :
[gembloong_related_posts count=3]
coleman mobile home furnace wiring diagram another photograph:

evcon eb15a electric wire diagrams wiring diagram database
furnace wiring gauge wiring diagram centre
mobile home schematic wiring manual e book

















