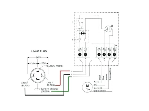
L14 30 Plug Wiring Diagram


Warning: count(): Parameter must be an array or an object that implements Countable in /var/www/html/autocardesign.org/wp-content/themes/silegan-wordpress-theme/inc/themeson.class.php on line 625
L14 30 Plug Wiring Diagram L14 30 Wiring Diagram Outlet Blog Wiring Diagram
L14 30 Plug Wiring Diagram L14 30 Wiring Diagram Outlet Blog Wiring Diagram