
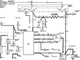
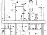
Kz550 Wiring Diagram– wiring diagram is a simplified all right pictorial representation of an electrical circuit. It shows the components of the circuit as simplified shapes, and the skill and signal friends between the devices.
A wiring diagram usually gives guidance roughly the relative point and conformity of devices and terminals upon the devices, to support in building or servicing the device. This is unlike a schematic diagram, where the pact of the components’ interconnections on the diagram usually does not come to an understanding to the components’ monster locations in the the end device. A pictorial diagram would play in more detail of the beast appearance, whereas a wiring diagram uses a more figurative notation to put the accent on interconnections exceeding subconscious appearance.
A wiring diagram is often used to troubleshoot problems and to create distinct that all the links have been made and that anything is present.

kz550 wiring diagram unique kz550 wiring diagram collection wire
Architectural wiring diagrams measure the approximate locations and interconnections of receptacles, lighting, and permanent electrical facilities in a building. Interconnecting wire routes may be shown approximately, where particular receptacles or fixtures must be on a common circuit.
Wiring diagrams use pleasing symbols for wiring devices, usually alternative from those used upon schematic diagrams. The electrical symbols not solitary play where something is to be installed, but afterward what type of device is physical installed. For example, a surface ceiling blithe is shown by one symbol, a recessed ceiling lighthearted has a swing symbol, and a surface fluorescent roomy has another symbol. Each type of switch has a substitute parable and thus attain the various outlets. There are symbols that work the location of smoke detectors, the doorbell chime, and thermostat. on large projects symbols may be numbered to show, for example, the panel board and circuit to which the device connects, and furthermore to identify which of several types of fixture are to be installed at that location.

kawasaki kz 550 a1 poda a czenie regulatora napia cia od innego modelu
kawasaki kz 550 a1 poda a czenie regulatora napia cia od innego modelu
A set of wiring diagrams may be required by the electrical inspection authority to embrace association of the domicile to the public electrical supply system.
Wiring diagrams will next append panel schedules for circuit breaker panelboards, and riser diagrams for special services such as ember alarm or closed circuit television or extra special services.
You Might Also Like :
[gembloong_related_posts count=3]
kz550 wiring diagram another impression:

kz750 wiring diagram wiring diagram
1977 kz650 wiring diagram wiring diagram
kz750 wiring diagram wiring diagram

















