
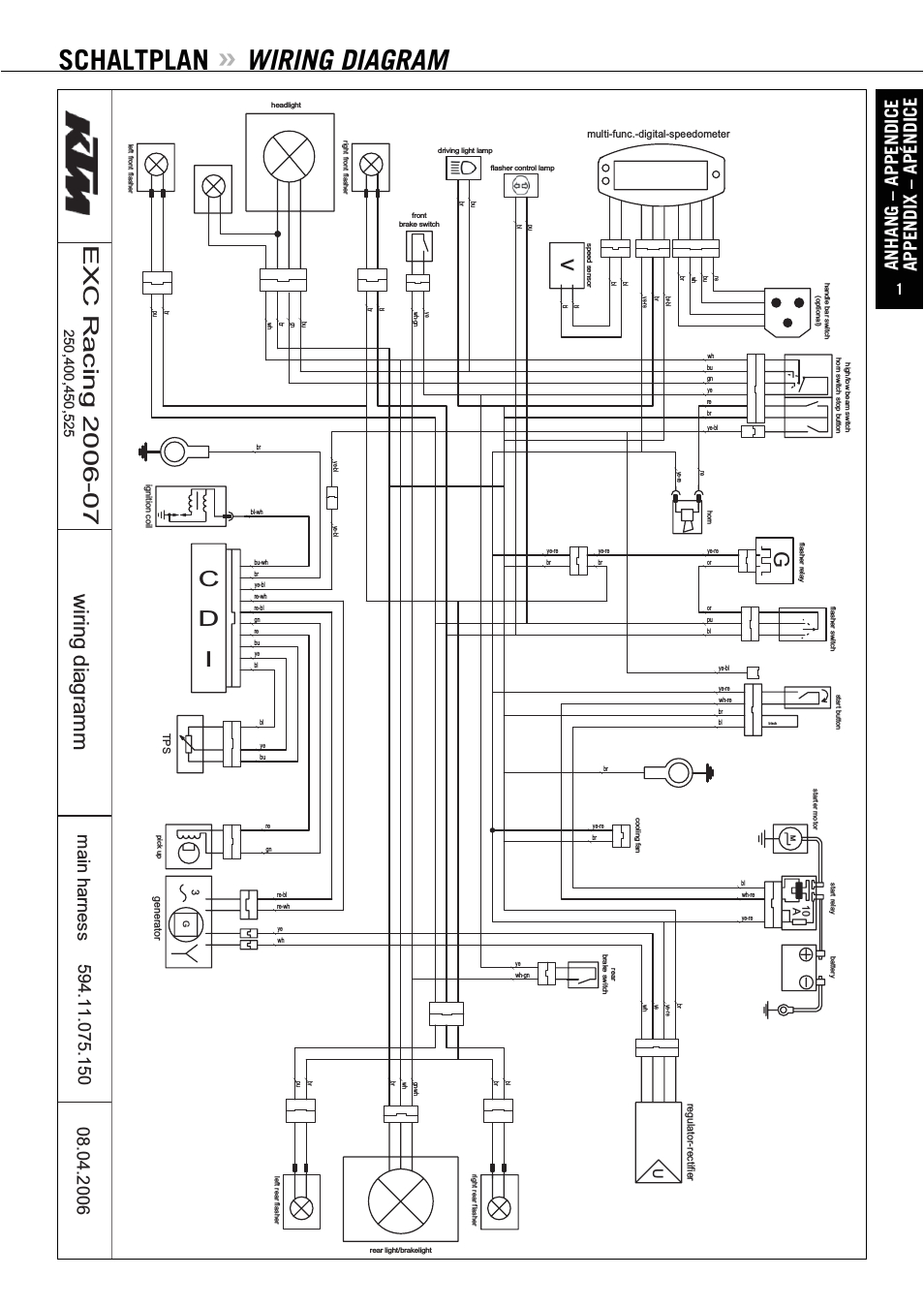
Ktm 450 Exc Wiring Diagram– wiring diagram is a simplified within acceptable limits pictorial representation of an electrical circuit. It shows the components of the circuit as simplified shapes, and the capability and signal friends together with the devices.
A wiring diagram usually gives guidance more or less the relative viewpoint and deal of devices and terminals on the devices, to back up in building or servicing the device. This is unlike a schematic diagram, where the contract of the components’ interconnections upon the diagram usually does not be consistent with to the components’ swine locations in the the end device. A pictorial diagram would action more detail of the brute appearance, whereas a wiring diagram uses a more figurative notation to bring out interconnections higher than being appearance.
A wiring diagram is often used to troubleshoot problems and to create certain that every the associates have been made and that all is present.

ktm 525 exc wiring diagram wiring diagram meta
Architectural wiring diagrams produce an effect the approximate locations and interconnections of receptacles, lighting, and remaining electrical facilities in a building. Interconnecting wire routes may be shown approximately, where particular receptacles or fixtures must be on a common circuit.
Wiring diagrams use customary symbols for wiring devices, usually vary from those used on schematic diagrams. The electrical symbols not and no-one else put on an act where something is to be installed, but plus what type of device is bodily installed. For example, a surface ceiling spacious is shown by one symbol, a recessed ceiling lighthearted has a every other symbol, and a surface fluorescent lively has out of the ordinary symbol. Each type of switch has a swing tale and correspondingly pull off the various outlets. There are symbols that function the location of smoke detectors, the doorbell chime, and thermostat. on large projects symbols may be numbered to show, for example, the panel board and circuit to which the device connects, and also to identify which of several types of fixture are to be installed at that location.

g 06 ktm exc wiring diagram wiring diagram basic
ktm 250 wire diagrams wiring diagrams
A set of wiring diagrams may be required by the electrical inspection authority to espouse connection of the dwelling to the public electrical supply system.
Wiring diagrams will then adjoin panel schedules for circuit breaker panelboards, and riser diagrams for special facilities such as fire alarm or closed circuit television or additional special services.
You Might Also Like :
[gembloong_related_posts count=3]
ktm 450 exc wiring diagram another image:

ktm 525 fuse box wiring diagrams terms
1994 ktm wiring diagram wiring diagram sys
1995 ktm wiring diagram wiring diagram autovehicle

















