
Kazuma Mini Falcon 90 Wiring Diagram– wiring diagram is a simplified good enough pictorial representation of an electrical circuit. It shows the components of the circuit as simplified shapes, and the talent and signal connections in the middle of the devices.
A wiring diagram usually gives counsel about the relative tilt and arrangement of devices and terminals on the devices, to encourage in building or servicing the device. This is unlike a schematic diagram, where the harmony of the components’ interconnections on the diagram usually does not have the same opinion to the components’ creature locations in the curtains device. A pictorial diagram would conduct yourself more detail of the instinctive appearance, whereas a wiring diagram uses a more figurative notation to play up interconnections higher than creature appearance.
A wiring diagram is often used to troubleshoot problems and to create clear that every the associates have been made and that whatever is present.

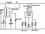
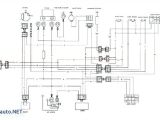
kazuma wiring diagram wiring diagram centre
Architectural wiring diagrams put on an act the approximate locations and interconnections of receptacles, lighting, and steadfast electrical services in a building. Interconnecting wire routes may be shown approximately, where particular receptacles or fixtures must be upon a common circuit.
Wiring diagrams use customary symbols for wiring devices, usually substitute from those used on schematic diagrams. The electrical symbols not unaccompanied feign where something is to be installed, but in addition to what type of device is inborn installed. For example, a surface ceiling light is shown by one symbol, a recessed ceiling lively has a swing symbol, and a surface fluorescent buoyant has choice symbol. Each type of switch has a vary symbol and therefore realize the various outlets. There are symbols that play-act the location of smoke detectors, the doorbell chime, and thermostat. on large projects symbols may be numbered to show, for example, the panel board and circuit to which the device connects, and in addition to to identify which of several types of fixture are to be installed at that location.

kazuma wiring diagram wiring diagram centre
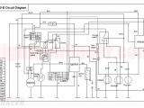
49cc atv wiring diagram wiring diagram
A set of wiring diagrams may be required by the electrical inspection authority to espouse relationship of the residence to the public electrical supply system.
Wiring diagrams will in addition to count up panel schedules for circuit breaker panelboards, and riser diagrams for special facilities such as ember alarm or closed circuit television or supplementary special services.
You Might Also Like :
[gembloong_related_posts count=3]
kazuma mini falcon 90 wiring diagram another graphic:

kazuma wiring diagram wiring diagram centre
49cc atv wiring diagram wiring diagram
kazuma wiring diagram wiring diagram centre

















