Kawasaki Ninja 250r Wiring Diagram


Warning: count(): Parameter must be an array or an object that implements Countable in /var/www/html/autocardesign.org/wp-content/themes/silegan-wordpress-theme/inc/themeson.class.php on line 625
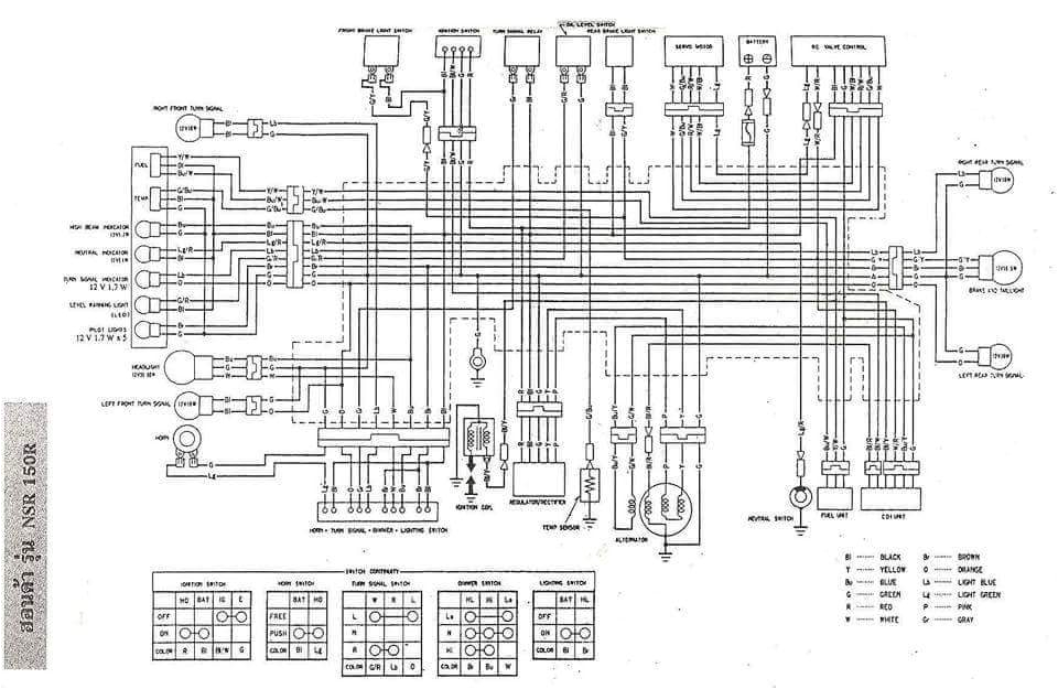
Kawasaki Ninja 250r Wiring Diagram Honda Nsr 250 Wiring Diagram Diagram Base Website Wiring
Kawasaki Ninja 250r Wiring Diagram Honda Nsr 250 Wiring Diagram Diagram Base Website Wiring
See also  Harbor Breeze Ceiling Fan with Remote Wiring Diagram