Karavan Boat Trailer Wiring Diagram


Warning: count(): Parameter must be an array or an object that implements Countable in /var/www/html/autocardesign.org/wp-content/themes/silegan-wordpress-theme/inc/themeson.class.php on line 625
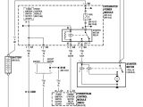
Karavan Boat Trailer Wiring Diagram Xx 1032 Caravan Wiring Diagram Photo Album Wire Diagram
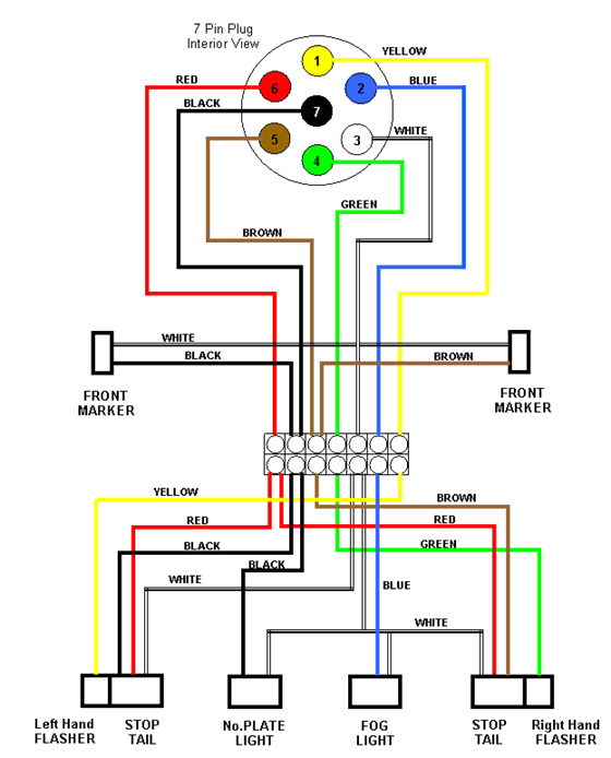
Karavan Boat Trailer Wiring Diagram Xx 1032 Caravan Wiring Diagram Photo Album Wire Diagram