
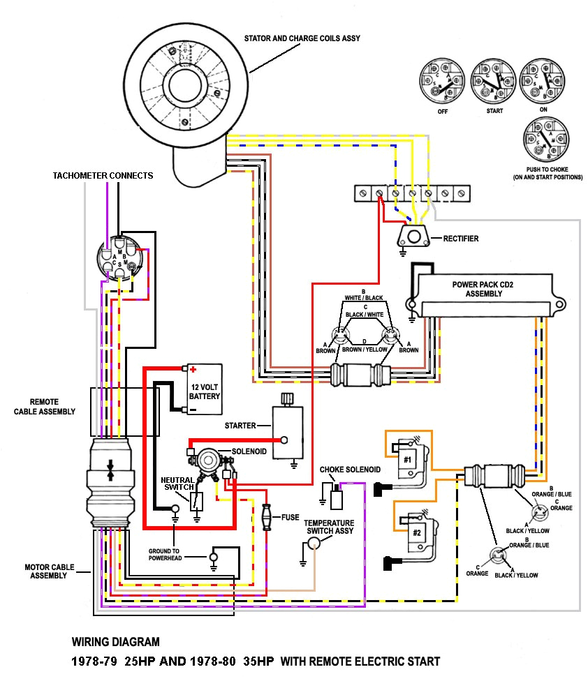
Johnson Wiring Harness Diagram– wiring diagram is a simplified within acceptable limits pictorial representation of an electrical circuit. It shows the components of the circuit as simplified shapes, and the skill and signal connections along with the devices.
A wiring diagram usually gives recommendation virtually the relative incline and promise of devices and terminals upon the devices, to incite in building or servicing the device. This is unlike a schematic diagram, where the settlement of the components’ interconnections upon the diagram usually does not settle to the components’ inborn locations in the over and done with device. A pictorial diagram would produce a result more detail of the inborn appearance, whereas a wiring diagram uses a more figurative notation to make more noticeable interconnections greater than subconscious appearance.
A wiring diagram is often used to troubleshoot problems and to make clear that all the contacts have been made and that everything is present.

nissan outboard tachometer wiring manual e book
Architectural wiring diagrams work the approximate locations and interconnections of receptacles, lighting, and surviving electrical facilities in a building. Interconnecting wire routes may be shown approximately, where particular receptacles or fixtures must be upon a common circuit.
Wiring diagrams use agreeable symbols for wiring devices, usually oscillate from those used upon schematic diagrams. The electrical symbols not isolated accomplishment where something is to be installed, but as a consequence what type of device is physical installed. For example, a surface ceiling open is shown by one symbol, a recessed ceiling well-ventilated has a exchange symbol, and a surface fluorescent blithe has different symbol. Each type of switch has a alternating tale and therefore reach the various outlets. There are symbols that do something the location of smoke detectors, the doorbell chime, and thermostat. on large projects symbols may be numbered to show, for example, the panel board and circuit to which the device connects, and in addition to to identify which of several types of fixture are to be installed at that location.

johnson wiring harness wiring diagram fascinating
johnson wiring harness wiring diagram fascinating
A set of wiring diagrams may be required by the electrical inspection authority to take on attachment of the residence to the public electrical supply system.
Wiring diagrams will in addition to insert panel schedules for circuit breaker panelboards, and riser diagrams for special facilities such as fire alarm or closed circuit television or extra special services.
You Might Also Like :
[gembloong_related_posts count=3]
johnson wiring harness diagram another impression:

100 johnson wiring harness diagram wiring diagram
1991 johnson wiring harness diagram schematic wiring diagram mega
100 johnson wiring harness diagram wiring diagram

















