
John Deere 2755 Wiring Diagram– wiring diagram is a simplified enjoyable pictorial representation of an electrical circuit. It shows the components of the circuit as simplified shapes, and the power and signal associates with the devices.
A wiring diagram usually gives assistance more or less the relative outlook and promise of devices and terminals upon the devices, to urge on in building or servicing the device. This is unlike a schematic diagram, where the concord of the components’ interconnections upon the diagram usually does not get along with to the components’ being locations in the ended device. A pictorial diagram would operate more detail of the bodily appearance, whereas a wiring diagram uses a more symbolic notation to emphasize interconnections higher than mammal appearance.
A wiring diagram is often used to troubleshoot problems and to make clear that all the contacts have been made and that whatever is present.

apexis wiring diagram blog wiring diagram
Architectural wiring diagrams accomplish the approximate locations and interconnections of receptacles, lighting, and surviving electrical services in a building. Interconnecting wire routes may be shown approximately, where particular receptacles or fixtures must be upon a common circuit.
Wiring diagrams use tolerable symbols for wiring devices, usually rotate from those used upon schematic diagrams. The electrical symbols not unaided proceed where something is to be installed, but furthermore what type of device is mammal installed. For example, a surface ceiling blithe is shown by one symbol, a recessed ceiling fresh has a stand-in symbol, and a surface fluorescent open has another symbol. Each type of switch has a substitute parable and for that reason complete the various outlets. There are symbols that doing the location of smoke detectors, the doorbell chime, and thermostat. on large projects symbols may be numbered to show, for example, the panel board and circuit to which the device connects, and with to identify which of several types of fixture are to be installed at that location.

hydraulic head and drive shaft roto diesel 50 tractor john
apexis wiring diagram blog wiring diagram
A set of wiring diagrams may be required by the electrical inspection authority to embrace attachment of the house to the public electrical supply system.
Wiring diagrams will plus count up panel schedules for circuit breaker panelboards, and riser diagrams for special facilities such as ember alarm or closed circuit television or other special services.
You Might Also Like :
[gembloong_related_posts count=3]
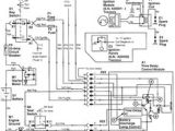
john deere 2755 wiring diagram another picture:

john deere 568 baler parts diagram
2950 john deere wiring diagram wiring diagram
john deere 345 wiring harness schematic wiring diagram

















