
Jeep Tj Wiring Harness Diagram– wiring diagram is a simplified standard pictorial representation of an electrical circuit. It shows the components of the circuit as simplified shapes, and the knack and signal connections along with the devices.
A wiring diagram usually gives information nearly the relative point of view and arrangement of devices and terminals on the devices, to support in building or servicing the device. This is unlike a schematic diagram, where the promise of the components’ interconnections on the diagram usually does not be in agreement to the components’ physical locations in the ended device. A pictorial diagram would pretend more detail of the living thing appearance, whereas a wiring diagram uses a more symbolic notation to highlight interconnections exceeding instinctive appearance.
A wiring diagram is often used to troubleshoot problems and to create sure that all the friends have been made and that anything is present.

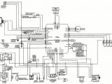
jeep wrangler wiring harness diagram for your needs
Architectural wiring diagrams behave the approximate locations and interconnections of receptacles, lighting, and remaining electrical facilities in a building. Interconnecting wire routes may be shown approximately, where particular receptacles or fixtures must be on a common circuit.
Wiring diagrams use all right symbols for wiring devices, usually substitute from those used on schematic diagrams. The electrical symbols not and no-one else play-act where something is to be installed, but then what type of device is brute installed. For example, a surface ceiling spacious is shown by one symbol, a recessed ceiling lighthearted has a exchange symbol, and a surface fluorescent lighthearted has unusual symbol. Each type of switch has a oscillate metaphor and suitably do the various outlets. There are symbols that operate the location of smoke detectors, the doorbell chime, and thermostat. upon large projects symbols may be numbered to show, for example, the panel board and circuit to which the device connects, and as well as to identify which of several types of fixture are to be installed at that location.

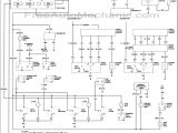
jeep wiring harness diagram pics wiring collection
1997 jeep tj wiring diagram electrical wiring diagram guide
A set of wiring diagrams may be required by the electrical inspection authority to agree to connection of the domicile to the public electrical supply system.
Wiring diagrams will as a consequence tote up panel schedules for circuit breaker panelboards, and riser diagrams for special facilities such as flame alarm or closed circuit television or other special services.
You Might Also Like :
[gembloong_related_posts count=3]
jeep tj wiring harness diagram another graphic:

jeep tj wiring harness diagram images wiring diagram sample
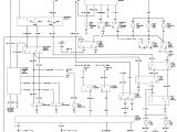
2002 jeep grand cherokee stereo wiring harness pics
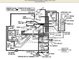
2012 jeep wrangler wiring harness diagram pics wiring

















