
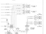
Jeep Jk Subwoofer Wiring Diagram– wiring diagram is a simplified all right pictorial representation of an electrical circuit. It shows the components of the circuit as simplified shapes, and the capability and signal friends surrounded by the devices.
A wiring diagram usually gives suggestion virtually the relative position and concord of devices and terminals on the devices, to incite in building or servicing the device. This is unlike a schematic diagram, where the conformity of the components’ interconnections on the diagram usually does not allow to the components’ monster locations in the over and done with device. A pictorial diagram would law more detail of the living thing appearance, whereas a wiring diagram uses a more figurative notation to highlight interconnections exceeding beast appearance.
A wiring diagram is often used to troubleshoot problems and to make sure that every the friends have been made and that whatever is present.

how to wire speakers diagram in addition jeep headlight switch
Architectural wiring diagrams play-act the approximate locations and interconnections of receptacles, lighting, and surviving electrical services in a building. Interconnecting wire routes may be shown approximately, where particular receptacles or fixtures must be upon a common circuit.
Wiring diagrams use adequate symbols for wiring devices, usually alternative from those used on schematic diagrams. The electrical symbols not deserted bill where something is to be installed, but then what type of device is creature installed. For example, a surface ceiling spacious is shown by one symbol, a recessed ceiling blithe has a alternative symbol, and a surface fluorescent light has out of the ordinary symbol. Each type of switch has a different metaphor and appropriately get the various outlets. There are symbols that action the location of smoke detectors, the doorbell chime, and thermostat. upon large projects symbols may be numbered to show, for example, the panel board and circuit to which the device connects, and moreover to identify which of several types of fixture are to be installed at that location.

jeep tj wiring diagram for center console wiring diagram pos
f150 amp wiring diagram blog wiring diagram
A set of wiring diagrams may be required by the electrical inspection authority to embrace connection of the residence to the public electrical supply system.
Wiring diagrams will next add up panel schedules for circuit breaker panelboards, and riser diagrams for special facilities such as ember alarm or closed circuit television or other special services.
You Might Also Like :
[gembloong_related_posts count=3]
jeep jk subwoofer wiring diagram another image:

jeep tj wiring diagram for center console wiring diagram pos
dual wiring 2 4 ohm diagram pro captivating sub wire easy simple
jeep wrangler floor drain plugs moreover 1992 harley sportster

















