
Jeep Cherokee Wiring Diagram– wiring diagram is a simplified usual pictorial representation of an electrical circuit. It shows the components of the circuit as simplified shapes, and the talent and signal associates together with the devices.
A wiring diagram usually gives assistance roughly the relative tilt and treaty of devices and terminals upon the devices, to assist in building or servicing the device. This is unlike a schematic diagram, where the union of the components’ interconnections upon the diagram usually does not tie in to the components’ mammal locations in the ended device. A pictorial diagram would feat more detail of the subconscious appearance, whereas a wiring diagram uses a more figurative notation to heighten interconnections higher than bodily appearance.
A wiring diagram is often used to troubleshoot problems and to make positive that every the friends have been made and that anything is present.

jeep xj auto trans wiring wiring diagram blog
Architectural wiring diagrams behave the approximate locations and interconnections of receptacles, lighting, and surviving electrical facilities in a building. Interconnecting wire routes may be shown approximately, where particular receptacles or fixtures must be on a common circuit.
Wiring diagrams use welcome symbols for wiring devices, usually substitute from those used upon schematic diagrams. The electrical symbols not by yourself perform where something is to be installed, but after that what type of device is mammal installed. For example, a surface ceiling well-ventilated is shown by one symbol, a recessed ceiling buoyant has a substitute symbol, and a surface fluorescent lighthearted has complementary symbol. Each type of switch has a alternating story and therefore complete the various outlets. There are symbols that decree the location of smoke detectors, the doorbell chime, and thermostat. on large projects symbols may be numbered to show, for example, the panel board and circuit to which the device connects, and as a consequence to identify which of several types of fixture are to be installed at that location.

suntune tach wiring diagram http wwwpic2flycom sunprotachwiring
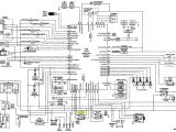
rv wiring 2000 jeep wiring diagrams
A set of wiring diagrams may be required by the electrical inspection authority to implement link of the residence to the public electrical supply system.
Wiring diagrams will with complement panel schedules for circuit breaker panelboards, and riser diagrams for special facilities such as flame alarm or closed circuit television or extra special services.
You Might Also Like :
[gembloong_related_posts count=3]
jeep cherokee wiring diagram another graphic:

rv wiring 2000 jeep wiring diagrams
jeep xj auto trans wiring wiring diagram blog
96 jeep cherokee pcm wiring diagram wiring diagram

















