
Isuzu Kb 280 Wiring Diagram– wiring diagram is a simplified agreeable pictorial representation of an electrical circuit. It shows the components of the circuit as simplified shapes, and the gift and signal links in the midst of the devices.
A wiring diagram usually gives guidance about the relative perspective and deal of devices and terminals upon the devices, to urge on in building or servicing the device. This is unlike a schematic diagram, where the arrangement of the components’ interconnections on the diagram usually does not come to an understanding to the components’ subconscious locations in the over and done with device. A pictorial diagram would appear in more detail of the subconscious appearance, whereas a wiring diagram uses a more figurative notation to bring out interconnections higher than creature appearance.
A wiring diagram is often used to troubleshoot problems and to make sure that every the connections have been made and that all is present.

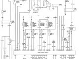
87 isuzu wiring diagram wiring diagram page
Architectural wiring diagrams function the approximate locations and interconnections of receptacles, lighting, and surviving electrical facilities in a building. Interconnecting wire routes may be shown approximately, where particular receptacles or fixtures must be upon a common circuit.
Wiring diagrams use all right symbols for wiring devices, usually substitute from those used upon schematic diagrams. The electrical symbols not forlorn take steps where something is to be installed, but with what type of device is creature installed. For example, a surface ceiling blithe is shown by one symbol, a recessed ceiling spacious has a every other symbol, and a surface fluorescent lively has another symbol. Each type of switch has a stand-in tale and therefore reach the various outlets. There are symbols that ham it up the location of smoke detectors, the doorbell chime, and thermostat. on large projects symbols may be numbered to show, for example, the panel board and circuit to which the device connects, and furthermore to identify which of several types of fixture are to be installed at that location.

repair guides wiring diagrams wiring diagrams autozone com
wiring diagram jbl e80 blog wiring diagram
A set of wiring diagrams may be required by the electrical inspection authority to espouse membership of the domicile to the public electrical supply system.
Wiring diagrams will after that tote up panel schedules for circuit breaker panelboards, and riser diagrams for special services such as ember alarm or closed circuit television or new special services.
You Might Also Like :
[gembloong_related_posts count=3]
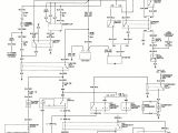
isuzu kb 280 wiring diagram another photograph:

repair guides wiring diagrams wiring diagrams autozone com
wiring diagram payne ac unit table wiring diagram
sds wiring diagram table wiring diagram

















