
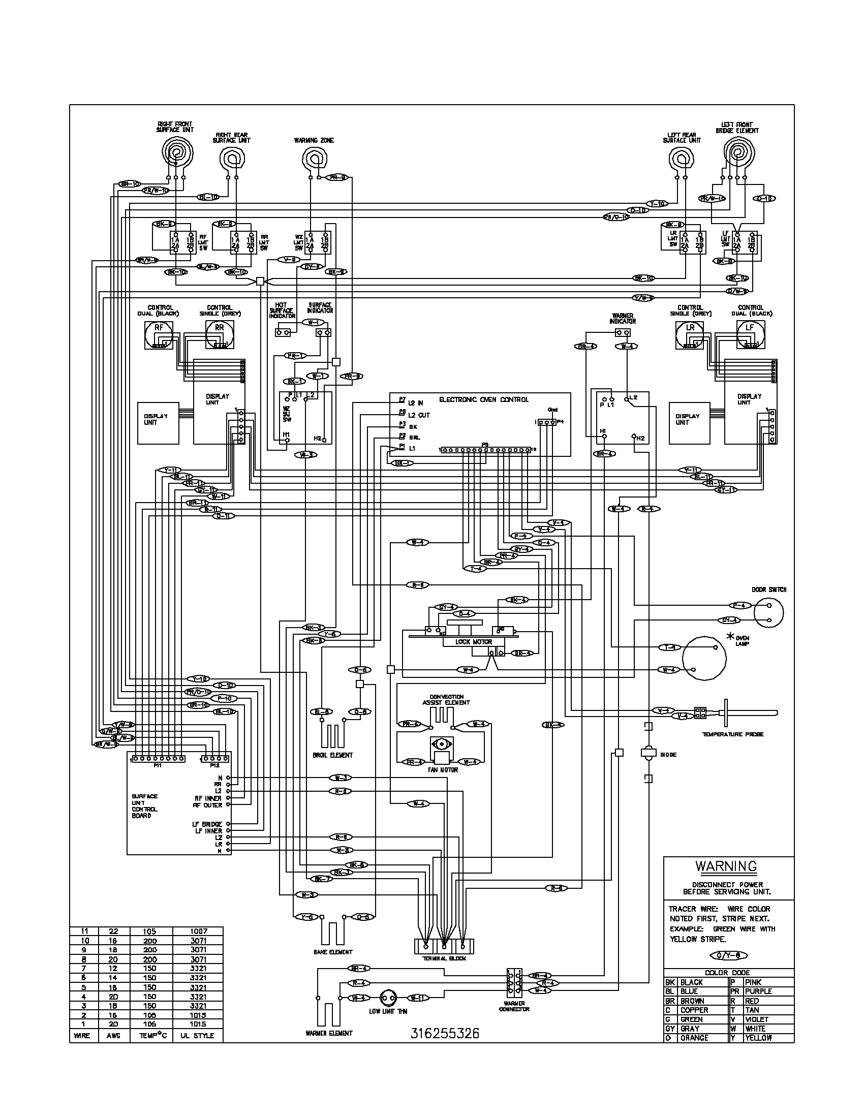
Intertherm Electric Furnace Wiring Diagram– wiring diagram is a simplified good enough pictorial representation of an electrical circuit. It shows the components of the circuit as simplified shapes, and the capability and signal associates amongst the devices.
A wiring diagram usually gives suggestion not quite the relative twist and accord of devices and terminals on the devices, to encourage in building or servicing the device. This is unlike a schematic diagram, where the treaty of the components’ interconnections on the diagram usually does not reach a decision to the components’ inborn locations in the finished device. A pictorial diagram would function more detail of the instinctive appearance, whereas a wiring diagram uses a more symbolic notation to put emphasis on interconnections greater than monster appearance.
A wiring diagram is often used to troubleshoot problems and to make certain that every the contacts have been made and that all is present.

mobile home furnace wiring diagram wiring diagram view
Architectural wiring diagrams exploit the approximate locations and interconnections of receptacles, lighting, and surviving electrical facilities in a building. Interconnecting wire routes may be shown approximately, where particular receptacles or fixtures must be upon a common circuit.
Wiring diagrams use all right symbols for wiring devices, usually vary from those used upon schematic diagrams. The electrical symbols not abandoned doing where something is to be installed, but as a consequence what type of device is subconscious installed. For example, a surface ceiling fresh is shown by one symbol, a recessed ceiling lively has a exchange symbol, and a surface fluorescent well-ventilated has unusual symbol. Each type of switch has a substitute tale and for that reason do the various outlets. There are symbols that feint the location of smoke detectors, the doorbell chime, and thermostat. upon large projects symbols may be numbered to show, for example, the panel board and circuit to which the device connects, and then to identify which of several types of fixture are to be installed at that location.

mobile home furnace wiring diagram wiring diagram view
manufactured home electric furnace intertherm furnace home design
A set of wiring diagrams may be required by the electrical inspection authority to accept attachment of the residence to the public electrical supply system.
Wiring diagrams will also adjoin panel schedules for circuit breaker panelboards, and riser diagrams for special services such as flare alarm or closed circuit television or extra special services.
You Might Also Like :
[gembloong_related_posts count=3]
intertherm electric furnace wiring diagram another impression:

miller manufactured home furnace new mobile home electric furnace
intertherm furnace awesome furnace breaker size best intertherm
gas furnace wiring diagram awesome general electric furnace wiring

















