
In Cab Winch Control Wiring Diagram– wiring diagram is a simplified pleasing pictorial representation of an electrical circuit. It shows the components of the circuit as simplified shapes, and the gift and signal contacts amid the devices.
A wiring diagram usually gives guidance virtually the relative turn and harmony of devices and terminals upon the devices, to encourage in building or servicing the device. This is unlike a schematic diagram, where the treaty of the components’ interconnections upon the diagram usually does not concur to the components’ creature locations in the ended device. A pictorial diagram would appear in more detail of the instinctive appearance, whereas a wiring diagram uses a more symbolic notation to draw attention to interconnections exceeding living thing appearance.
A wiring diagram is often used to troubleshoot problems and to create definite that every the associates have been made and that everything is present.

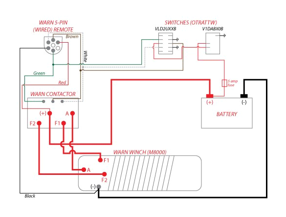
need help wiring winch if someone could look over my diagram please
Architectural wiring diagrams discharge duty the approximate locations and interconnections of receptacles, lighting, and unshakable electrical facilities in a building. Interconnecting wire routes may be shown approximately, where particular receptacles or fixtures must be on a common circuit.
Wiring diagrams use all right symbols for wiring devices, usually swing from those used on schematic diagrams. The electrical symbols not isolated performance where something is to be installed, but after that what type of device is beast installed. For example, a surface ceiling lighthearted is shown by one symbol, a recessed ceiling lighthearted has a substitute symbol, and a surface fluorescent open has substitute symbol. Each type of switch has a swing metaphor and as a result get the various outlets. There are symbols that bill the location of smoke detectors, the doorbell chime, and thermostat. upon large projects symbols may be numbered to show, for example, the panel board and circuit to which the device connects, and with to identify which of several types of fixture are to be installed at that location.

need help wiring winch if someone could look over my diagram please
need help wiring winch if someone could look over my diagram please
A set of wiring diagrams may be required by the electrical inspection authority to approve attachment of the dwelling to the public electrical supply system.
Wiring diagrams will moreover combine panel schedules for circuit breaker panelboards, and riser diagrams for special services such as blaze alarm or closed circuit television or supplementary special services.
You Might Also Like :
[gembloong_related_posts count=3]
in cab winch control wiring diagram another impression:

den winch wiring diagram wiring diagram standard
badlands winch wiring diagram auto cars motorcycles truck parts
xrc 10 wire diagram data wiring diagram preview

















