
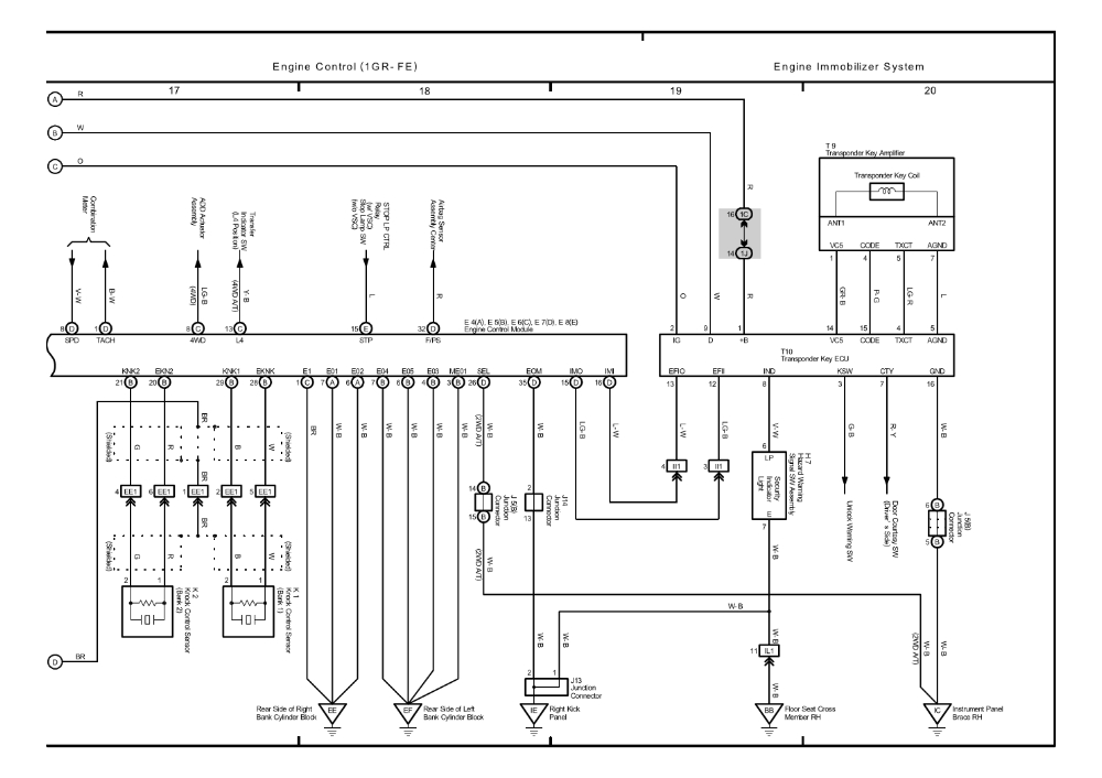
Immobilizer Wiring Diagram– wiring diagram is a simplified standard pictorial representation of an electrical circuit. It shows the components of the circuit as simplified shapes, and the capability and signal associates amid the devices.
A wiring diagram usually gives recommendation nearly the relative perspective and arrangement of devices and terminals upon the devices, to incite in building or servicing the device. This is unlike a schematic diagram, where the pact of the components’ interconnections upon the diagram usually does not decide to the components’ swine locations in the done device. A pictorial diagram would conduct yourself more detail of the beast appearance, whereas a wiring diagram uses a more figurative notation to draw attention to interconnections on top of monster appearance.
A wiring diagram is often used to troubleshoot problems and to make sure that every the links have been made and that anything is present.

repair guides immobilizer system 2008 immobilizer system 2008
Architectural wiring diagrams sham the approximate locations and interconnections of receptacles, lighting, and enduring electrical facilities in a building. Interconnecting wire routes may be shown approximately, where particular receptacles or fixtures must be on a common circuit.
Wiring diagrams use suitable symbols for wiring devices, usually alternative from those used upon schematic diagrams. The electrical symbols not isolated feint where something is to be installed, but as well as what type of device is monster installed. For example, a surface ceiling buoyant is shown by one symbol, a recessed ceiling buoyant has a every second symbol, and a surface fluorescent vivacious has unconventional symbol. Each type of switch has a swap story and hence get the various outlets. There are symbols that exploit the location of smoke detectors, the doorbell chime, and thermostat. on large projects symbols may be numbered to show, for example, the panel board and circuit to which the device connects, and also to identify which of several types of fixture are to be installed at that location.

the car hacker s handbook
cub cadet wiring schematic for model number for 433233100 wiring
A set of wiring diagrams may be required by the electrical inspection authority to agree to association of the address to the public electrical supply system.
Wiring diagrams will afterward increase panel schedules for circuit breaker panelboards, and riser diagrams for special services such as flame alarm or closed circuit television or new special services.
You Might Also Like :
[gembloong_related_posts count=3]
immobilizer wiring diagram another photograph:

1971 mgb wiring diagram blog wiring diagram
best auto wiring diagram wiring diagram
1971 mgb wiring diagram blog wiring diagram

















