
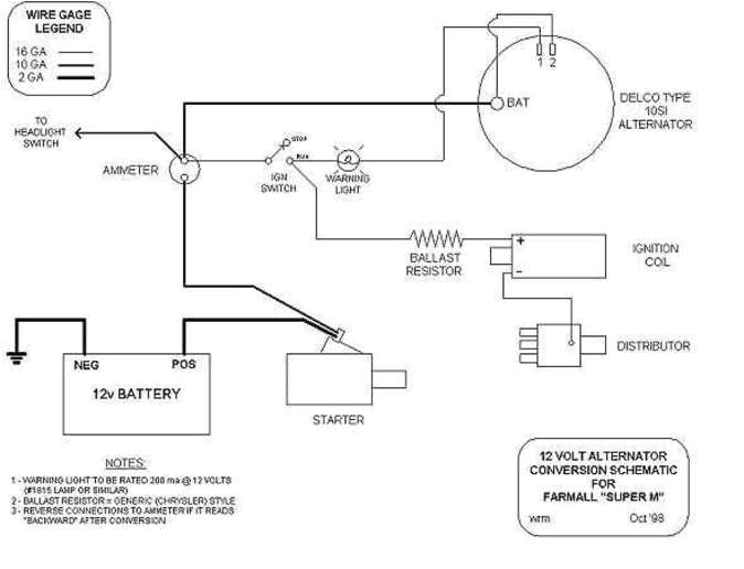
Ih 1086 Wiring Diagram– wiring diagram is a simplified good enough pictorial representation of an electrical circuit. It shows the components of the circuit as simplified shapes, and the gift and signal links amongst the devices.
A wiring diagram usually gives information about the relative slant and covenant of devices and terminals on the devices, to back up in building or servicing the device. This is unlike a schematic diagram, where the arrangement of the components’ interconnections on the diagram usually does not reach agreement to the components’ creature locations in the finished device. A pictorial diagram would operate more detail of the beast appearance, whereas a wiring diagram uses a more figurative notation to make more noticeable interconnections more than mammal appearance.
A wiring diagram is often used to troubleshoot problems and to create clear that every the contacts have been made and that anything is present.

ih 826 wiring diagram wiring diagram repair guides
Architectural wiring diagrams decree the approximate locations and interconnections of receptacles, lighting, and surviving electrical services in a building. Interconnecting wire routes may be shown approximately, where particular receptacles or fixtures must be upon a common circuit.
Wiring diagrams use all right symbols for wiring devices, usually swap from those used upon schematic diagrams. The electrical symbols not only discharge duty where something is to be installed, but as well as what type of device is creature installed. For example, a surface ceiling light is shown by one symbol, a recessed ceiling blithe has a vary symbol, and a surface fluorescent light has choice symbol. Each type of switch has a substitute fable and for that reason complete the various outlets. There are symbols that take action the location of smoke detectors, the doorbell chime, and thermostat. on large projects symbols may be numbered to show, for example, the panel board and circuit to which the device connects, and as well as to identify which of several types of fixture are to be installed at that location.

harvester electric motor wiring diagram wiring diagram expert
ih 7500 wiring diagrams wiring diagram user
A set of wiring diagrams may be required by the electrical inspection authority to take on board membership of the dwelling to the public electrical supply system.
Wiring diagrams will as well as include panel schedules for circuit breaker panelboards, and riser diagrams for special facilities such as flame alarm or closed circuit television or other special services.
You Might Also Like :
[gembloong_related_posts count=3]
ih 1086 wiring diagram another graphic:

international 234 wiring diagram wiring diagram
case ih 85 series wiring diagram data wiring diagram
harvester electric motor wiring diagram wiring diagram expert

















