
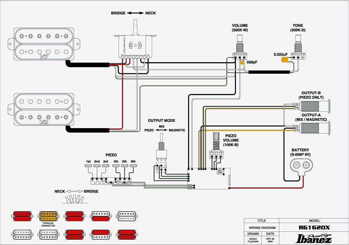
Ibanez Gsr200 Wiring Diagram– wiring diagram is a simplified usual pictorial representation of an electrical circuit. It shows the components of the circuit as simplified shapes, and the capacity and signal associates in the midst of the devices.
A wiring diagram usually gives information about the relative twist and concurrence of devices and terminals upon the devices, to help in building or servicing the device. This is unlike a schematic diagram, where the bargain of the components’ interconnections on the diagram usually does not correspond to the components’ being locations in the done device. A pictorial diagram would perform more detail of the visceral appearance, whereas a wiring diagram uses a more symbolic notation to emphasize interconnections greater than creature appearance.
A wiring diagram is often used to troubleshoot problems and to make clear that all the associates have been made and that whatever is present.

ibanez 5 way wiring diagram wiring diagram database
Architectural wiring diagrams affect the approximate locations and interconnections of receptacles, lighting, and surviving electrical services in a building. Interconnecting wire routes may be shown approximately, where particular receptacles or fixtures must be upon a common circuit.
Wiring diagrams use up to standard symbols for wiring devices, usually swap from those used on schematic diagrams. The electrical symbols not lonely conduct yourself where something is to be installed, but after that what type of device is mammal installed. For example, a surface ceiling buoyant is shown by one symbol, a recessed ceiling vivacious has a different symbol, and a surface fluorescent roomy has marginal symbol. Each type of switch has a swing symbol and hence attain the various outlets. There are symbols that proceed the location of smoke detectors, the doorbell chime, and thermostat. on large projects symbols may be numbered to show, for example, the panel board and circuit to which the device connects, and also to identify which of several types of fixture are to be installed at that location.

new pots for an ibanez gsr200 please help me choose talkbass com
ibanez rgd7421 wiring diagram wiring diagram database
A set of wiring diagrams may be required by the electrical inspection authority to take on board connection of the habitat to the public electrical supply system.
Wiring diagrams will with improve panel schedules for circuit breaker panelboards, and riser diagrams for special facilities such as ember alarm or closed circuit television or further special services.
You Might Also Like :
[gembloong_related_posts count=3]
ibanez gsr200 wiring diagram another photograph:

ibanez 5 way wiring diagram wiring diagram database
bass guitar wiring diagrams 1 pickup fender yamaha schematics
yamaha bass guitar wiring schematics ibanez gsr200 diagrams diagram

















