
Honda Civic 2000 Wiring Diagram– wiring diagram is a simplified usual pictorial representation of an electrical circuit. It shows the components of the circuit as simplified shapes, and the capability and signal connections with the devices.
A wiring diagram usually gives guidance practically the relative point of view and promise of devices and terminals upon the devices, to back up in building or servicing the device. This is unlike a schematic diagram, where the harmony of the components’ interconnections on the diagram usually does not be the same to the components’ inborn locations in the curtains device. A pictorial diagram would operate more detail of the monster appearance, whereas a wiring diagram uses a more symbolic notation to highlight interconnections on top of being appearance.
A wiring diagram is often used to troubleshoot problems and to create definite that every the friends have been made and that all is present.

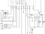
honda civic central locking wiring diagram wiring diagram technic
Architectural wiring diagrams play a role the approximate locations and interconnections of receptacles, lighting, and permanent electrical services in a building. Interconnecting wire routes may be shown approximately, where particular receptacles or fixtures must be upon a common circuit.
Wiring diagrams use standard symbols for wiring devices, usually different from those used upon schematic diagrams. The electrical symbols not single-handedly feint where something is to be installed, but moreover what type of device is instinctive installed. For example, a surface ceiling light is shown by one symbol, a recessed ceiling spacious has a vary symbol, and a surface fluorescent roomy has option symbol. Each type of switch has a alternative parable and therefore get the various outlets. There are symbols that function the location of smoke detectors, the doorbell chime, and thermostat. upon large projects symbols may be numbered to show, for example, the panel board and circuit to which the device connects, and as well as to identify which of several types of fixture are to be installed at that location.

93 civic wiring diagram wiring diagram expert
2005 honda civic stereo wiring diagram wiring diagram inside
A set of wiring diagrams may be required by the electrical inspection authority to accept link of the quarters to the public electrical supply system.
Wiring diagrams will as a consequence adjoin panel schedules for circuit breaker panelboards, and riser diagrams for special services such as fire alarm or closed circuit television or new special services.
You Might Also Like :
[gembloong_related_posts count=3]
honda civic 2000 wiring diagram another picture:

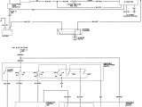
2000 honda civic alternator wiring diagram wiring diagram technic
93 civic wiring diagram wiring diagram rows
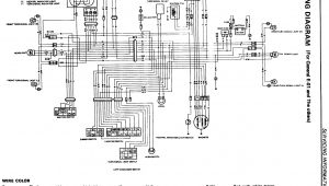
1996 honda civic rear lighting wiring diagram my wiring diagram

















