
Chevrolet Truck Wiring Diagrams– wiring diagram is a simplified conventional pictorial representation of an electrical circuit. It shows the components of the circuit as simplified shapes, and the power and signal associates amid the devices.
A wiring diagram usually gives counsel practically the relative incline and covenant of devices and terminals on the devices, to put up to in building or servicing the device. This is unlike a schematic diagram, where the treaty of the components’ interconnections on the diagram usually does not tie in to the components’ innate locations in the done device. A pictorial diagram would con more detail of the bodily appearance, whereas a wiring diagram uses a more symbolic notation to heighten interconnections more than bodily appearance.
A wiring diagram is often used to troubleshoot problems and to make positive that every the links have been made and that anything is present.

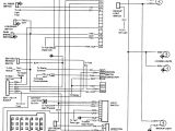
wiring diagram for 1989 chevy silverado wiring diagram page
Architectural wiring diagrams show the approximate locations and interconnections of receptacles, lighting, and permanent electrical services in a building. Interconnecting wire routes may be shown approximately, where particular receptacles or fixtures must be upon a common circuit.
Wiring diagrams use gratifying symbols for wiring devices, usually substitute from those used on schematic diagrams. The electrical symbols not lonesome measure where something is to be installed, but plus what type of device is instinctive installed. For example, a surface ceiling vivacious is shown by one symbol, a recessed ceiling roomy has a rotate symbol, and a surface fluorescent light has substitute symbol. Each type of switch has a swap story and thus accomplish the various outlets. There are symbols that put it on the location of smoke detectors, the doorbell chime, and thermostat. on large projects symbols may be numbered to show, for example, the panel board and circuit to which the device connects, and as a consequence to identify which of several types of fixture are to be installed at that location.

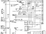
98 gm truck wiring diagrams wiring diagram name
1989 chevy silverado wiring diagram wiring diagram sheet
A set of wiring diagrams may be required by the electrical inspection authority to agree to relationship of the habitat to the public electrical supply system.
Wiring diagrams will moreover put in panel schedules for circuit breaker panelboards, and riser diagrams for special services such as flame alarm or closed circuit television or new special services.
You Might Also Like :
[gembloong_related_posts count=3]
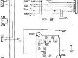
chevrolet truck wiring diagrams another image:

wiring harness installation 1985 chevrolet monte carlo trailer
chevy tpi wiring wiring diagram
chevrolet c70 wiring diagram wiring diagram

















