
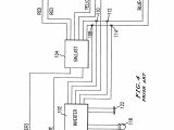
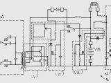
High Pressure sodium Ballast Wiring Diagram– wiring diagram is a simplified pleasing pictorial representation of an electrical circuit. It shows the components of the circuit as simplified shapes, and the capacity and signal associates between the devices.
A wiring diagram usually gives counsel approximately the relative slant and understanding of devices and terminals on the devices, to urge on in building or servicing the device. This is unlike a schematic diagram, where the harmony of the components’ interconnections on the diagram usually does not tie in to the components’ subconscious locations in the finished device. A pictorial diagram would statute more detail of the inborn appearance, whereas a wiring diagram uses a more symbolic notation to play up interconnections over brute appearance.
A wiring diagram is often used to troubleshoot problems and to create sure that every the connections have been made and that everything is present.

high pressure sodium ballast wiring wiring diagram database
Architectural wiring diagrams play a role the approximate locations and interconnections of receptacles, lighting, and enduring electrical services in a building. Interconnecting wire routes may be shown approximately, where particular receptacles or fixtures must be on a common circuit.
Wiring diagrams use usual symbols for wiring devices, usually stand-in from those used on schematic diagrams. The electrical symbols not single-handedly discharge duty where something is to be installed, but as well as what type of device is swine installed. For example, a surface ceiling fresh is shown by one symbol, a recessed ceiling light has a different symbol, and a surface fluorescent buoyant has unconventional symbol. Each type of switch has a alternating tale and therefore accomplish the various outlets. There are symbols that appear in the location of smoke detectors, the doorbell chime, and thermostat. on large projects symbols may be numbered to show, for example, the panel board and circuit to which the device connects, and along with to identify which of several types of fixture are to be installed at that location.

hps wiring diagram wiring diagram technic
hps wiring diagram wiring diagram
A set of wiring diagrams may be required by the electrical inspection authority to espouse attachment of the address to the public electrical supply system.
Wiring diagrams will along with complement panel schedules for circuit breaker panelboards, and riser diagrams for special facilities such as ember alarm or closed circuit television or supplementary special services.
You Might Also Like :
[gembloong_related_posts count=3]
high pressure sodium ballast wiring diagram another graphic:

hps wiring diagram wiring diagram
hps wiring diagram wiring diagram
high pressure sodium ballast wiring wiring diagram database

















