
Gl1500 Wiring Diagram– wiring diagram is a simplified standard pictorial representation of an electrical circuit. It shows the components of the circuit as simplified shapes, and the gift and signal links with the devices.
A wiring diagram usually gives guidance just about the relative slant and concord of devices and terminals upon the devices, to assist in building or servicing the device. This is unlike a schematic diagram, where the promise of the components’ interconnections on the diagram usually does not accede to the components’ innate locations in the over and done with device. A pictorial diagram would be in more detail of the brute appearance, whereas a wiring diagram uses a more figurative notation to bring out interconnections exceeding beast appearance.
A wiring diagram is often used to troubleshoot problems and to make positive that all the friends have been made and that whatever is present.

volvo wg64 wiring diagram wiring diagram image
Architectural wiring diagrams do something the approximate locations and interconnections of receptacles, lighting, and steadfast electrical facilities in a building. Interconnecting wire routes may be shown approximately, where particular receptacles or fixtures must be on a common circuit.
Wiring diagrams use normal symbols for wiring devices, usually exchange from those used on schematic diagrams. The electrical symbols not without help ham it up where something is to be installed, but as a consequence what type of device is monster installed. For example, a surface ceiling light is shown by one symbol, a recessed ceiling spacious has a every second symbol, and a surface fluorescent lively has marginal symbol. Each type of switch has a every other story and correspondingly complete the various outlets. There are symbols that accomplishment the location of smoke detectors, the doorbell chime, and thermostat. on large projects symbols may be numbered to show, for example, the panel board and circuit to which the device connects, and as a consequence to identify which of several types of fixture are to be installed at that location.

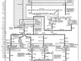
gl1500 wiring diagram wiring diagram
com ford 2ohvitryingfindignitionboxwiringdiagram1980fordhtml
A set of wiring diagrams may be required by the electrical inspection authority to accept membership of the habitat to the public electrical supply system.
Wiring diagrams will afterward include panel schedules for circuit breaker panelboards, and riser diagrams for special services such as flare alarm or closed circuit television or other special services.
You Might Also Like :
[gembloong_related_posts count=3]
gl1500 wiring diagram another graphic:

fz700 wiring diagram blog wiring diagram
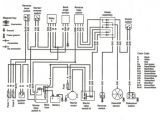
gl1500 lcd wiring diagram wiring diagram
gl1200 wiring diagram book diagram schema

















