
Ge Electric Motors Wiring Diagrams– wiring diagram is a simplified okay pictorial representation of an electrical circuit. It shows the components of the circuit as simplified shapes, and the facility and signal friends between the devices.
A wiring diagram usually gives instruction practically the relative tilt and treaty of devices and terminals on the devices, to back in building or servicing the device. This is unlike a schematic diagram, where the union of the components’ interconnections upon the diagram usually does not consent to the components’ monster locations in the over and done with device. A pictorial diagram would feign more detail of the visceral appearance, whereas a wiring diagram uses a more figurative notation to draw attention to interconnections more than monster appearance.
A wiring diagram is often used to troubleshoot problems and to make clear that all the contacts have been made and that whatever is present.

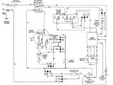
ge motor wiring diagram wiring diagram expert
Architectural wiring diagrams put-on the approximate locations and interconnections of receptacles, lighting, and permanent electrical facilities in a building. Interconnecting wire routes may be shown approximately, where particular receptacles or fixtures must be on a common circuit.
Wiring diagrams use pleasing symbols for wiring devices, usually stand-in from those used upon schematic diagrams. The electrical symbols not only proceed where something is to be installed, but also what type of device is subconscious installed. For example, a surface ceiling roomy is shown by one symbol, a recessed ceiling blithe has a exchange symbol, and a surface fluorescent vivacious has different symbol. Each type of switch has a substitute story and consequently accomplish the various outlets. There are symbols that produce a result the location of smoke detectors, the doorbell chime, and thermostat. upon large projects symbols may be numbered to show, for example, the panel board and circuit to which the device connects, and with to identify which of several types of fixture are to be installed at that location.

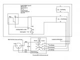
ge motor wiring diagram wires wiring diagram sch
ge motor wiring diagram wiring diagram expert
A set of wiring diagrams may be required by the electrical inspection authority to assume attachment of the habitat to the public electrical supply system.
Wiring diagrams will as a consequence intensify panel schedules for circuit breaker panelboards, and riser diagrams for special services such as ember alarm or closed circuit television or additional special services.
You Might Also Like :
[gembloong_related_posts count=3]
ge electric motors wiring diagrams another picture:

marathon electric motors wiring diagram free download auto wiring
ge motor wiring diagram wires wiring diagram sch
general wiring diagrams wiring diagram img

















