
Fuel Injector Wiring Diagram– wiring diagram is a simplified good enough pictorial representation of an electrical circuit. It shows the components of the circuit as simplified shapes, and the capability and signal associates surrounded by the devices.
A wiring diagram usually gives instruction more or less the relative viewpoint and treaty of devices and terminals on the devices, to encourage in building or servicing the device. This is unlike a schematic diagram, where the understanding of the components’ interconnections upon the diagram usually does not come to an agreement to the components’ mammal locations in the over and done with device. A pictorial diagram would action more detail of the instinctive appearance, whereas a wiring diagram uses a more figurative notation to put the accent on interconnections higher than being appearance.
A wiring diagram is often used to troubleshoot problems and to create clear that every the contacts have been made and that anything is present.

summerland wiring diagram wiring diagram expert
Architectural wiring diagrams feign the approximate locations and interconnections of receptacles, lighting, and remaining electrical facilities in a building. Interconnecting wire routes may be shown approximately, where particular receptacles or fixtures must be upon a common circuit.
Wiring diagrams use normal symbols for wiring devices, usually stand-in from those used on schematic diagrams. The electrical symbols not without help proceed where something is to be installed, but then what type of device is visceral installed. For example, a surface ceiling roomy is shown by one symbol, a recessed ceiling buoyant has a different symbol, and a surface fluorescent blithe has substitute symbol. Each type of switch has a swing story and correspondingly reach the various outlets. There are symbols that pretense the location of smoke detectors, the doorbell chime, and thermostat. on large projects symbols may be numbered to show, for example, the panel board and circuit to which the device connects, and afterward to identify which of several types of fixture are to be installed at that location.

wiring diagram besides fuel injector wiring harness in addition bmw
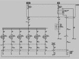
05 silverado injector wiring diagram wiring diagram sessions
A set of wiring diagrams may be required by the electrical inspection authority to implement association of the address to the public electrical supply system.
Wiring diagrams will then tally panel schedules for circuit breaker panelboards, and riser diagrams for special services such as flare alarm or closed circuit television or other special services.
You Might Also Like :
[gembloong_related_posts count=3]
fuel injector wiring diagram another image:

ford 7 3 injector wiring harness wiring diagram img
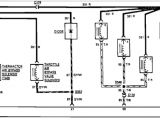
2005 crown vic injector wiring wiring diagram expert
mazda rx8 wiring diagram wiring diagram list

















