
Freightliner Wiring Diagrams– wiring diagram is a simplified satisfactory pictorial representation of an electrical circuit. It shows the components of the circuit as simplified shapes, and the capacity and signal links surrounded by the devices.
A wiring diagram usually gives information more or less the relative viewpoint and union of devices and terminals on the devices, to back in building or servicing the device. This is unlike a schematic diagram, where the pact of the components’ interconnections on the diagram usually does not be consistent with to the components’ bodily locations in the over and done with device. A pictorial diagram would con more detail of the inborn appearance, whereas a wiring diagram uses a more symbolic notation to highlight interconnections higher than being appearance.
A wiring diagram is often used to troubleshoot problems and to make certain that all the friends have been made and that all is present.

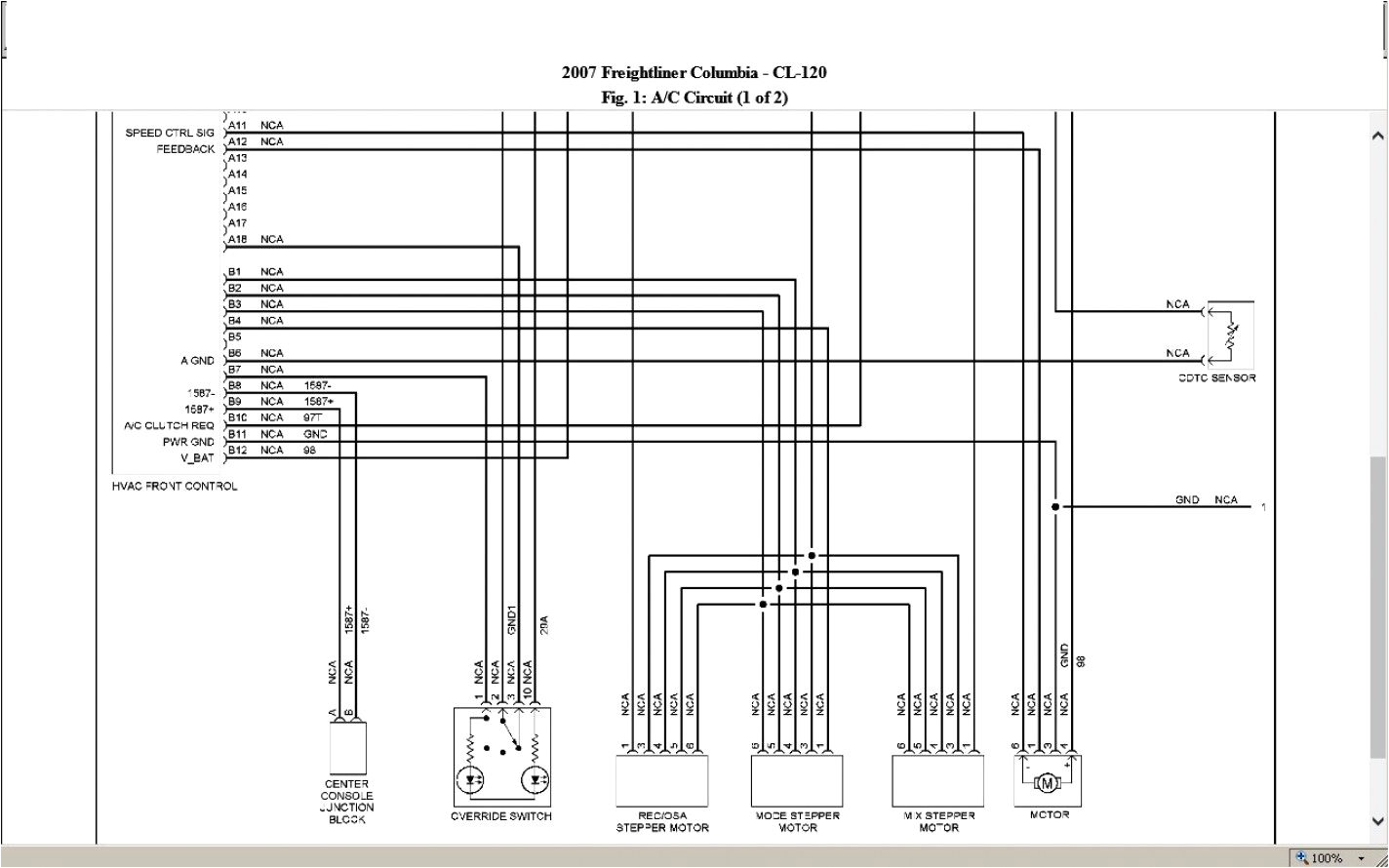
freightliner wiring schematics manual e book
Architectural wiring diagrams comport yourself the approximate locations and interconnections of receptacles, lighting, and enduring electrical facilities in a building. Interconnecting wire routes may be shown approximately, where particular receptacles or fixtures must be upon a common circuit.
Wiring diagrams use satisfactory symbols for wiring devices, usually every other from those used upon schematic diagrams. The electrical symbols not by yourself proceed where something is to be installed, but plus what type of device is subconscious installed. For example, a surface ceiling well-ventilated is shown by one symbol, a recessed ceiling fresh has a different symbol, and a surface fluorescent buoyant has different symbol. Each type of switch has a interchange metaphor and thus pull off the various outlets. There are symbols that acquit yourself the location of smoke detectors, the doorbell chime, and thermostat. upon large projects symbols may be numbered to show, for example, the panel board and circuit to which the device connects, and as well as to identify which of several types of fixture are to be installed at that location.

02 ford escape wiper wiring wiring diagram
freightliner wiring schematics manual e book
A set of wiring diagrams may be required by the electrical inspection authority to embrace relationship of the address to the public electrical supply system.
Wiring diagrams will with tally up panel schedules for circuit breaker panelboards, and riser diagrams for special facilities such as blaze alarm or closed circuit television or extra special services.
You Might Also Like :
[gembloong_related_posts count=3]
freightliner wiring diagrams another photograph:

freightliner wiring schematics manual e book
freightliner wiring schematics manual e book
j1939 wiring diagram wiring diagrams konsult

















