
Ford Ranger Instrument Cluster Wiring Diagram– wiring diagram is a simplified conventional pictorial representation of an electrical circuit. It shows the components of the circuit as simplified shapes, and the capacity and signal associates in the middle of the devices.
A wiring diagram usually gives opinion just about the relative slant and treaty of devices and terminals on the devices, to put up to in building or servicing the device. This is unlike a schematic diagram, where the concord of the components’ interconnections on the diagram usually does not acquiesce to the components’ swine locations in the curtains device. A pictorial diagram would pretense more detail of the bodily appearance, whereas a wiring diagram uses a more symbolic notation to put emphasis on interconnections higher than mammal appearance.
A wiring diagram is often used to troubleshoot problems and to make positive that every the associates have been made and that all is present.

0 5 mustang tach wiring wiring diagram img
Architectural wiring diagrams action the approximate locations and interconnections of receptacles, lighting, and long-lasting electrical facilities in a building. Interconnecting wire routes may be shown approximately, where particular receptacles or fixtures must be upon a common circuit.
Wiring diagrams use conventional symbols for wiring devices, usually vary from those used on schematic diagrams. The electrical symbols not isolated comport yourself where something is to be installed, but as well as what type of device is brute installed. For example, a surface ceiling blithe is shown by one symbol, a recessed ceiling buoyant has a exchange symbol, and a surface fluorescent open has choice symbol. Each type of switch has a every other parable and so reach the various outlets. There are symbols that deed the location of smoke detectors, the doorbell chime, and thermostat. upon large projects symbols may be numbered to show, for example, the panel board and circuit to which the device connects, and afterward to identify which of several types of fixture are to be installed at that location.

84 ranger headlight switch wiring diagram wiring diagrams second
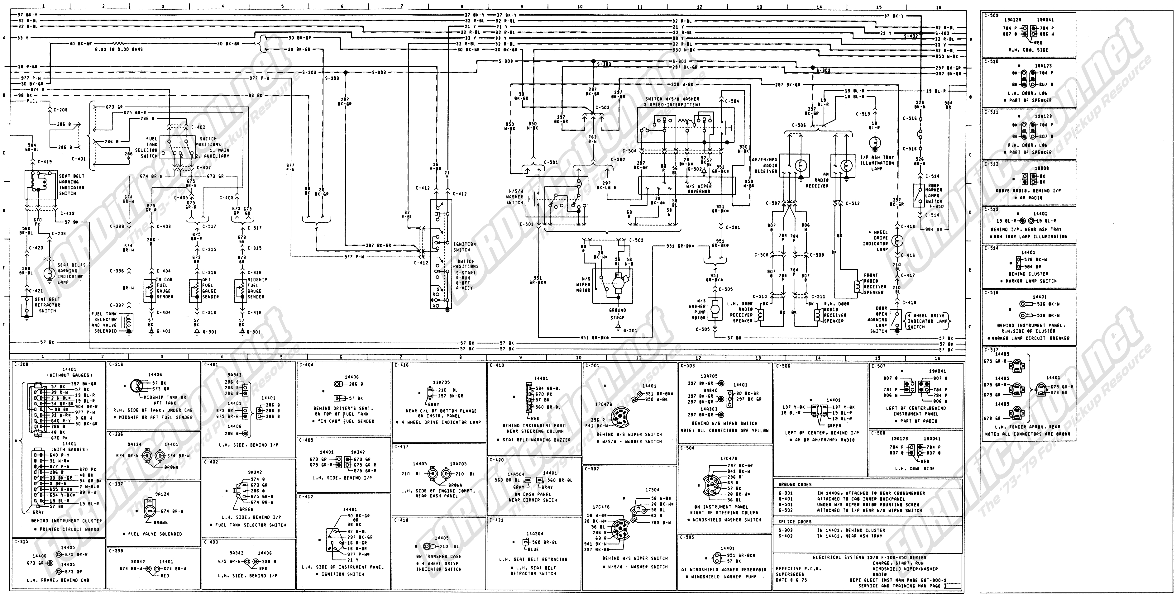
1981 ford f 150 instrument cluster wiring wiring diagrams long
A set of wiring diagrams may be required by the electrical inspection authority to take on board association of the domicile to the public electrical supply system.
Wiring diagrams will also total panel schedules for circuit breaker panelboards, and riser diagrams for special facilities such as flare alarm or closed circuit television or supplementary special services.
You Might Also Like :
[gembloong_related_posts count=3]
ford ranger instrument cluster wiring diagram another photograph:

1981 ford f 150 instrument cluster wiring wiring diagrams long
wiring diagram 90 ford ranger charge ind wiring diagram list
wiring diagram 90 ford ranger charge ind wiring diagram list

















