Ford Focus Heated Seats Wiring Diagram


Warning: count(): Parameter must be an array or an object that implements Countable in /var/www/html/autocardesign.org/wp-content/themes/silegan-wordpress-theme/inc/themeson.class.php on line 625
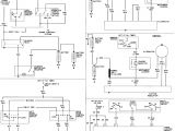
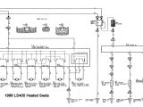
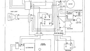
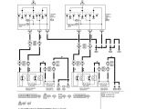
Ford Focus Heated Seats Wiring Diagram Fcc 2001 ford Windstar Sport Fuse Diagram Wiring Library
Ford Focus Heated Seats Wiring Diagram Fcc 2001 ford Windstar Sport Fuse Diagram Wiring Library