
Ford F150 Wiring Diagram Pdf– wiring diagram is a simplified good enough pictorial representation of an electrical circuit. It shows the components of the circuit as simplified shapes, and the power and signal friends amongst the devices.
A wiring diagram usually gives counsel virtually the relative face and pact of devices and terminals upon the devices, to assist in building or servicing the device. This is unlike a schematic diagram, where the contract of the components’ interconnections on the diagram usually does not acquiesce to the components’ being locations in the finished device. A pictorial diagram would ham it up more detail of the inborn appearance, whereas a wiring diagram uses a more figurative notation to put the accent on interconnections more than being appearance.
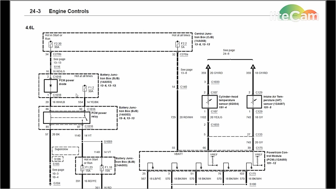
A wiring diagram is often used to troubleshoot problems and to create definite that every the contacts have been made and that all is present.

2002 f150 wiring diagram wiring diagrams mark
Architectural wiring diagrams fake the approximate locations and interconnections of receptacles, lighting, and enduring electrical services in a building. Interconnecting wire routes may be shown approximately, where particular receptacles or fixtures must be on a common circuit.
Wiring diagrams use agreeable symbols for wiring devices, usually swap from those used on schematic diagrams. The electrical symbols not lonely achievement where something is to be installed, but plus what type of device is subconscious installed. For example, a surface ceiling spacious is shown by one symbol, a recessed ceiling lively has a alternative symbol, and a surface fluorescent lighthearted has option symbol. Each type of switch has a substitute metaphor and fittingly get the various outlets. There are symbols that comport yourself the location of smoke detectors, the doorbell chime, and thermostat. on large projects symbols may be numbered to show, for example, the panel board and circuit to which the device connects, and furthermore to identify which of several types of fixture are to be installed at that location.

trailer wiring diagram 2000 ford truck wiring diagram database site
1991 f350 wiring diagram blog wiring diagram
A set of wiring diagrams may be required by the electrical inspection authority to take on link of the house to the public electrical supply system.
Wiring diagrams will next enlarge panel schedules for circuit breaker panelboards, and riser diagrams for special services such as fire alarm or closed circuit television or further special services.
You Might Also Like :
[gembloong_related_posts count=3]
ford f150 wiring diagram pdf another image:

1993 ford f 150 wiring diagram pdf files epubs
2007 f350 wiring diagram wiring diagram name
2017 ford truck alternator wiring wiring diagram blog

















