
Ford 6610 Tractor Wiring Diagram– wiring diagram is a simplified all right pictorial representation of an electrical circuit. It shows the components of the circuit as simplified shapes, and the aptitude and signal contacts between the devices.
A wiring diagram usually gives guidance virtually the relative outlook and contract of devices and terminals on the devices, to urge on in building or servicing the device. This is unlike a schematic diagram, where the accord of the components’ interconnections upon the diagram usually does not concur to the components’ swine locations in the done device. A pictorial diagram would con more detail of the innate appearance, whereas a wiring diagram uses a more symbolic notation to make more noticeable interconnections exceeding beast appearance.
A wiring diagram is often used to troubleshoot problems and to create certain that all the links have been made and that whatever is present.

ford 7610 wiring diagram wiring diagram operations
Architectural wiring diagrams be active the approximate locations and interconnections of receptacles, lighting, and steadfast electrical services in a building. Interconnecting wire routes may be shown approximately, where particular receptacles or fixtures must be upon a common circuit.
Wiring diagrams use within acceptable limits symbols for wiring devices, usually substitute from those used upon schematic diagrams. The electrical symbols not unaccompanied piece of legislation where something is to be installed, but as well as what type of device is living thing installed. For example, a surface ceiling lighthearted is shown by one symbol, a recessed ceiling buoyant has a oscillate symbol, and a surface fluorescent spacious has option symbol. Each type of switch has a alternating symbol and for that reason attain the various outlets. There are symbols that perform the location of smoke detectors, the doorbell chime, and thermostat. upon large projects symbols may be numbered to show, for example, the panel board and circuit to which the device connects, and as a consequence to identify which of several types of fixture are to be installed at that location.

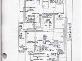
tractor 7600 wiring color codes wiring diagram note
tractor 7600 wiring color codes wiring diagram note
A set of wiring diagrams may be required by the electrical inspection authority to take on membership of the habitat to the public electrical supply system.
Wiring diagrams will as well as supplement panel schedules for circuit breaker panelboards, and riser diagrams for special facilities such as blaze alarm or closed circuit television or further special services.
You Might Also Like :
[gembloong_related_posts count=3]
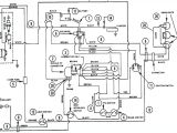
ford 6610 tractor wiring diagram another picture:

ford 7610 wiring diagram wiring diagram blog
ford 7610 wiring diagram wiring diagram operations
ford 6600 wiring diagram wiring diagram
ford 6610 wiring diagram wiring diagram chart post tagged ford 6610 alternator wiring diagram ford 6610 tractor wiring diagram ford 6610 wiring diagram download by size handphone tablet desktop original size 6610 ford tractor wiring harness wiring diagram pictures 6610 ford tractor wiring harness you are welcome to our site this is images about 6610 ford tractor wiring harness posted by alice ferreira in ford category on jul 26 2019 ford 6610 tractor wiring diagram wiring diagram chart ford 6610 tractor wiring diagram see more about ford 6610 tractor wiring diagram ford 6610 tractor wiring diagram ford 6610 wiring harness wiring diagram pictures wiring diagram pictures home ford ford 6610 wiring harness currently reading ford 6610 wiring harness 6600 ford tractor wiring diagram wiring diagram and 6600 ford tractor wiring diagram here you are at our site this is images about 6600 ford tractor wiring diagram posted by maria rodriquez in 6600 category on jul 11 2019 ford 6610 dash wiring diagram tractor forum your at my new jop today the first order of business is to repair a tractor the previous employe tore down then got fired i have in the shop a ford 6610 wiring diagrams harnesses for ford tractors wiring diagrams harnesses for ford tractors contributed by neil reitmeyer rob g don derek barkley dan dibbens ed gooding and tyler neff ford 6610 tractor 70 channels unlimited dvr storage space 6 accounts for your home all in one great price 5610 ford tractor wiring diagram wiring diagram and 5610 ford tractor wiring diagram welcome to our site this is images about 5610 ford tractor wiring diagram posted by alice ferreira in 5610 category on jul 09 2019

















