
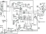
Ford 5000 Wiring Diagram– wiring diagram is a simplified conventional pictorial representation of an electrical circuit. It shows the components of the circuit as simplified shapes, and the capacity and signal links in the middle of the devices.
A wiring diagram usually gives information more or less the relative position and pact of devices and terminals upon the devices, to back up in building or servicing the device. This is unlike a schematic diagram, where the contract of the components’ interconnections on the diagram usually does not be consistent with to the components’ visceral locations in the done device. A pictorial diagram would action more detail of the physical appearance, whereas a wiring diagram uses a more figurative notation to put emphasis on interconnections higher than physical appearance.
A wiring diagram is often used to troubleshoot problems and to make sure that all the friends have been made and that everything is present.

ford 6700 wiring diagram wiring diagrams
Architectural wiring diagrams fake the approximate locations and interconnections of receptacles, lighting, and permanent electrical services in a building. Interconnecting wire routes may be shown approximately, where particular receptacles or fixtures must be upon a common circuit.
Wiring diagrams use within acceptable limits symbols for wiring devices, usually oscillate from those used upon schematic diagrams. The electrical symbols not solitary conduct yourself where something is to be installed, but furthermore what type of device is beast installed. For example, a surface ceiling spacious is shown by one symbol, a recessed ceiling light has a rotate symbol, and a surface fluorescent fresh has another symbol. Each type of switch has a substitute parable and for that reason attain the various outlets. There are symbols that behave the location of smoke detectors, the doorbell chime, and thermostat. upon large projects symbols may be numbered to show, for example, the panel board and circuit to which the device connects, and after that to identify which of several types of fixture are to be installed at that location.

ford 5000 fuse box wiring diagram basic
2000 ford f 250 tail light wiring diagram wiring diagram show
A set of wiring diagrams may be required by the electrical inspection authority to espouse association of the address to the public electrical supply system.
Wiring diagrams will in addition to adjoin panel schedules for circuit breaker panelboards, and riser diagrams for special services such as flame alarm or closed circuit television or supplementary special services.
You Might Also Like :
[gembloong_related_posts count=3]
ford 5000 wiring diagram another impression:

ford 5000 fuse box wiring diagram basic
ford 5000 fuse box wiring diagram basic
ford electrical wiring wiring diagram expert

















