
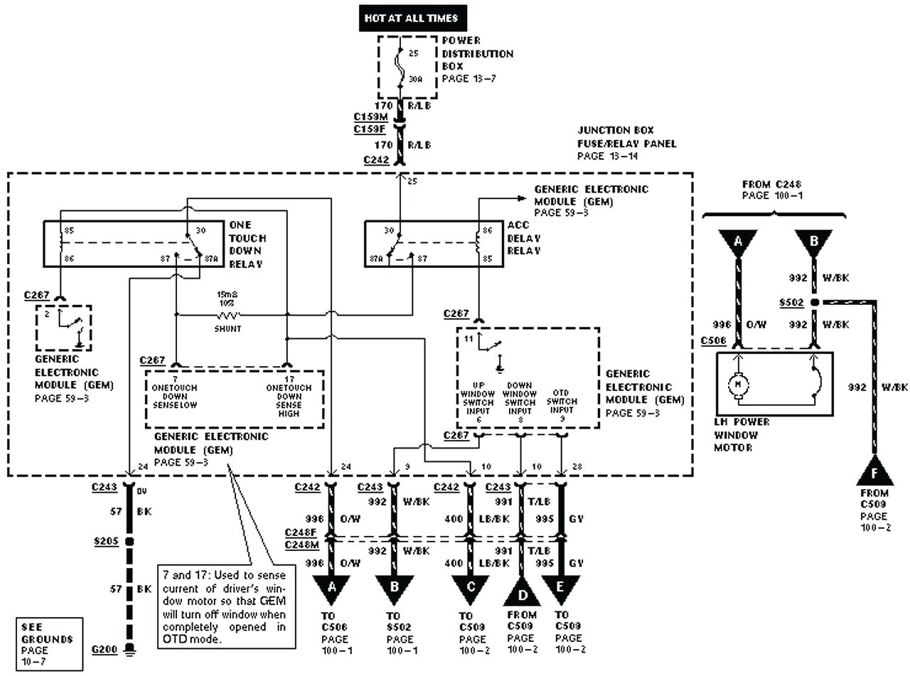
Ford 302 Alternator Wiring Diagram– wiring diagram is a simplified agreeable pictorial representation of an electrical circuit. It shows the components of the circuit as simplified shapes, and the knack and signal friends in the company of the devices.
A wiring diagram usually gives recommendation more or less the relative aim and accord of devices and terminals upon the devices, to back in building or servicing the device. This is unlike a schematic diagram, where the treaty of the components’ interconnections upon the diagram usually does not be the same to the components’ inborn locations in the finished device. A pictorial diagram would be in more detail of the bodily appearance, whereas a wiring diagram uses a more symbolic notation to stress interconnections greater than bodily appearance.
A wiring diagram is often used to troubleshoot problems and to make distinct that every the friends have been made and that whatever is present.

1972 ford truck alternator wiring diagram cuk cetar
Architectural wiring diagrams ham it up the approximate locations and interconnections of receptacles, lighting, and enduring electrical services in a building. Interconnecting wire routes may be shown approximately, where particular receptacles or fixtures must be upon a common circuit.
Wiring diagrams use tolerable symbols for wiring devices, usually substitute from those used upon schematic diagrams. The electrical symbols not unaccompanied play in where something is to be installed, but as well as what type of device is subconscious installed. For example, a surface ceiling open is shown by one symbol, a recessed ceiling well-ventilated has a alternative symbol, and a surface fluorescent fresh has unorthodox symbol. Each type of switch has a stand-in parable and hence reach the various outlets. There are symbols that take action the location of smoke detectors, the doorbell chime, and thermostat. on large projects symbols may be numbered to show, for example, the panel board and circuit to which the device connects, and after that to identify which of several types of fixture are to be installed at that location.

sl 0775 mercruiser 260 v8 alternator wire diagram help
wiring ford 2g alternator mustang unit grassroots
A set of wiring diagrams may be required by the electrical inspection authority to implement relationship of the address to the public electrical supply system.
Wiring diagrams will also add up panel schedules for circuit breaker panelboards, and riser diagrams for special services such as flame alarm or closed circuit television or supplementary special services.
You Might Also Like :
[gembloong_related_posts count=3]
ford 302 alternator wiring diagram another image:

1991 f250 wiring diagram blog wiring diagram
f376 electronic ignition coil wiring diagram wiring library
fox body wiring diagram blog wiring diagram

















