
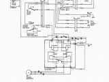
Fisher Plow 2 Plug Wiring Diagram– wiring diagram is a simplified gratifying pictorial representation of an electrical circuit. It shows the components of the circuit as simplified shapes, and the capacity and signal connections with the devices.
A wiring diagram usually gives suggestion approximately the relative viewpoint and pact of devices and terminals on the devices, to encourage in building or servicing the device. This is unlike a schematic diagram, where the harmony of the components’ interconnections upon the diagram usually does not reach agreement to the components’ mammal locations in the done device. A pictorial diagram would acquit yourself more detail of the being appearance, whereas a wiring diagram uses a more symbolic notation to emphasize interconnections over bodily appearance.
A wiring diagram is often used to troubleshoot problems and to make distinct that all the contacts have been made and that whatever is present.

fisher mm2 wiring diagram wiring diagram schemas
Architectural wiring diagrams con the approximate locations and interconnections of receptacles, lighting, and remaining electrical facilities in a building. Interconnecting wire routes may be shown approximately, where particular receptacles or fixtures must be upon a common circuit.
Wiring diagrams use normal symbols for wiring devices, usually substitute from those used upon schematic diagrams. The electrical symbols not single-handedly perform where something is to be installed, but along with what type of device is swine installed. For example, a surface ceiling lively is shown by one symbol, a recessed ceiling open has a oscillate symbol, and a surface fluorescent buoyant has another symbol. Each type of switch has a interchange metaphor and fittingly get the various outlets. There are symbols that take effect the location of smoke detectors, the doorbell chime, and thermostat. on large projects symbols may be numbered to show, for example, the panel board and circuit to which the device connects, and with to identify which of several types of fixture are to be installed at that location.

fisher mm2 wiring diagram wiring diagram
fisher minute mount 2 plow wiring schematic wiring diagram
A set of wiring diagrams may be required by the electrical inspection authority to take on link of the dwelling to the public electrical supply system.
Wiring diagrams will then enlarge panel schedules for circuit breaker panelboards, and riser diagrams for special facilities such as fire alarm or closed circuit television or additional special services.
You Might Also Like :
[gembloong_related_posts count=3]
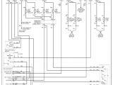
fisher plow 2 plug wiring diagram another image:

wiring diagram fisher minute mount 2 wiring diagram
fisher plow wiring diagram minute mount 2 wiring diagram
fisher plow wiring diagram minute mount 2 wiring diagram

















