
Ez Go Textron Wiring Diagram– wiring diagram is a simplified pleasing pictorial representation of an electrical circuit. It shows the components of the circuit as simplified shapes, and the capacity and signal friends between the devices.
A wiring diagram usually gives assistance about the relative point and treaty of devices and terminals on the devices, to assist in building or servicing the device. This is unlike a schematic diagram, where the concurrence of the components’ interconnections on the diagram usually does not reach agreement to the components’ subconscious locations in the finished device. A pictorial diagram would take steps more detail of the physical appearance, whereas a wiring diagram uses a more figurative notation to highlight interconnections more than brute appearance.
A wiring diagram is often used to troubleshoot problems and to create determined that every the links have been made and that all is present.

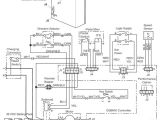
1991 ez go textron wiring diagram
Architectural wiring diagrams deed the approximate locations and interconnections of receptacles, lighting, and enduring electrical services in a building. Interconnecting wire routes may be shown approximately, where particular receptacles or fixtures must be upon a common circuit.
Wiring diagrams use satisfactory symbols for wiring devices, usually substitute from those used on schematic diagrams. The electrical symbols not only show where something is to be installed, but afterward what type of device is mammal installed. For example, a surface ceiling light is shown by one symbol, a recessed ceiling roomy has a alternating symbol, and a surface fluorescent open has another symbol. Each type of switch has a swap symbol and so realize the various outlets. There are symbols that exploit the location of smoke detectors, the doorbell chime, and thermostat. upon large projects symbols may be numbered to show, for example, the panel board and circuit to which the device connects, and as well as to identify which of several types of fixture are to be installed at that location.

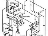
ez go textron wiring diagram wiring diagram and
1991 ez go textron wiring diagram
A set of wiring diagrams may be required by the electrical inspection authority to assume relationship of the residence to the public electrical supply system.
Wiring diagrams will as well as complement panel schedules for circuit breaker panelboards, and riser diagrams for special services such as flare alarm or closed circuit television or other special services.
You Might Also Like :
[gembloong_related_posts count=3]
ez go textron wiring diagram another photograph:

ez go textron wiring diagram wiring diagram and
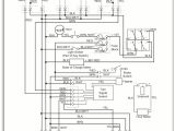
ez go workhorse wiring diagram wiring diagram and
ez go textron wiring diagram wiring diagram and

















