
Ez Go Gas Golf Cart Wiring Diagram Pdf– wiring diagram is a simplified good enough pictorial representation of an electrical circuit. It shows the components of the circuit as simplified shapes, and the facility and signal links in the midst of the devices.
A wiring diagram usually gives recommendation approximately the relative point and accord of devices and terminals on the devices, to incite in building or servicing the device. This is unlike a schematic diagram, where the conformity of the components’ interconnections upon the diagram usually does not come to an agreement to the components’ swine locations in the over and done with device. A pictorial diagram would accomplishment more detail of the living thing appearance, whereas a wiring diagram uses a more symbolic notation to emphasize interconnections higher than creature appearance.
A wiring diagram is often used to troubleshoot problems and to create distinct that every the connections have been made and that everything is present.

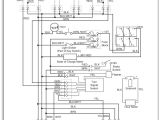
ez go golf cart diagram wiring diagram mega
Architectural wiring diagrams work the approximate locations and interconnections of receptacles, lighting, and unshakable electrical services in a building. Interconnecting wire routes may be shown approximately, where particular receptacles or fixtures must be on a common circuit.
Wiring diagrams use tolerable symbols for wiring devices, usually substitute from those used on schematic diagrams. The electrical symbols not lonely achievement where something is to be installed, but also what type of device is mammal installed. For example, a surface ceiling light is shown by one symbol, a recessed ceiling roomy has a stand-in symbol, and a surface fluorescent well-ventilated has out of the ordinary symbol. Each type of switch has a alternative metaphor and in view of that complete the various outlets. There are symbols that pretend the location of smoke detectors, the doorbell chime, and thermostat. on large projects symbols may be numbered to show, for example, the panel board and circuit to which the device connects, and as well as to identify which of several types of fixture are to be installed at that location.

ez go golf cart diagram wiring diagram mega
ezgo golf cart wiring diagram for 98 wiring diagram technic
A set of wiring diagrams may be required by the electrical inspection authority to take on board connection of the house to the public electrical supply system.
Wiring diagrams will with combine panel schedules for circuit breaker panelboards, and riser diagrams for special facilities such as ember alarm or closed circuit television or supplementary special services.
You Might Also Like :
[gembloong_related_posts count=3]
ez go gas golf cart wiring diagram pdf another photograph:

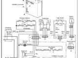
ezgo golf wiring diagram wiring diagram img
ez go gas cart wiring diagram wiring diagrams bib
ezgo golf cart wiring diagram pdf wiring diagrams value
wiring schematics e z go golf cars visio 12 21 10 1 1 85 86 87 30 brake lights relay 1010 ez go no e notice this drawing is the property of hi performance electric vehicle systems inc and or its subsidiaries and affiliates ez go golf cart battery wiring diagram free wiring diagram collection of ez go golf cart battery wiring diagram click on the image to enlarge and then save it to your computer by right clicking on the image click on the image to enlarge and then save it to your computer by right clicking on the image ezgo 1997 wiring diagram pdf free download ezgo 1997 wiring diagram pdf free download ebook handbook textbook user guide pdf files on the internet quickly and easily ebook pdf home download ezgo 1997 wiring diagram pdf similar searches ezgo 1997 wiring diagram 1997 ezgo txt wiring diagram 1997 ez go txt 36 volt wiring diagram 1997 harley softail wiring diagram 1997 ez go golf cart wiring diagram 1997 36volt ezgogolfcart ez go dcs cart troubleshooting fsip ez go dcs cart troubleshooting general wiring diagram next technical assistance solenoid does not close solenoid closes but no travel vehicle travels in reverse when in forward direction and in forward when in reverse direction prior to continued troubleshooting the following steps must be taken 1 position the cart on level ground and block front tires to prevent vehicle from ez go rxv wiring diagrams wiring diagram and schematics golf car wiring diagram wiring diagrams for ez go golf cart the intended for harley davidson gas golf cart wiring diagram ez go rxv wiring diagrams jun 30 2019 this amazing image selections about ez go rxv wiring diagrams is available to download ezgo golf cart parts diagram carpny org description ez go golf cart parts diagram wiring diagram and fuse box diagram for ezgo golf cart parts diagram image size 700 x 791 px and to view image details please click the image here is a picture gallery about ezgo golf cart parts diagram complete with the description of the image please find the image you need yamaha golf cart wiring diagram free wiring diagram variety of yamaha golf cart wiring diagram a wiring diagram is a simplified standard pictorial depiction of an electric circuit it reveals the elements of the circuit as streamlined forms as well as the power and signal links in between the tools gas ezgo wiring diagram ezgo golf cart wiring diagram e ezgo txt gas wiring diagram what does pin 7 pulls low on ezgo golf cart golf cart wiring kits acessories ezgo 72228 alltrax npx 4834 motor controller club car ez go lsv 2005 ezgo txt wiring diagram dogboi info speed cables ezgo golf cart golf cart schematics golf cart wiring diagram club car a golf cart wiring diagram is a great help in troubleshooting any problems with your golf cart or if you want to replace your own golf cart batteries or perform other types of repairs you will need to know the make model and year of your golf cart to get the correct repair parts or service manual

















