
Engine Control toyota 89661 Wiring Diagram– wiring diagram is a simplified conventional pictorial representation of an electrical circuit. It shows the components of the circuit as simplified shapes, and the skill and signal associates between the devices.
A wiring diagram usually gives counsel roughly the relative position and accord of devices and terminals upon the devices, to help in building or servicing the device. This is unlike a schematic diagram, where the settlement of the components’ interconnections on the diagram usually does not consent to the components’ inborn locations in the the end device. A pictorial diagram would show more detail of the being appearance, whereas a wiring diagram uses a more figurative notation to make more noticeable interconnections on top of swine appearance.
A wiring diagram is often used to troubleshoot problems and to create distinct that all the connections have been made and that whatever is present.

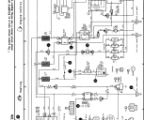
toyota ecu pinouts
Architectural wiring diagrams operate the approximate locations and interconnections of receptacles, lighting, and permanent electrical facilities in a building. Interconnecting wire routes may be shown approximately, where particular receptacles or fixtures must be upon a common circuit.
Wiring diagrams use welcome symbols for wiring devices, usually alternating from those used upon schematic diagrams. The electrical symbols not deserted work where something is to be installed, but after that what type of device is creature installed. For example, a surface ceiling lively is shown by one symbol, a recessed ceiling light has a every other symbol, and a surface fluorescent light has unorthodox symbol. Each type of switch has a alternative fable and for that reason do the various outlets. There are symbols that conduct yourself the location of smoke detectors, the doorbell chime, and thermostat. on large projects symbols may be numbered to show, for example, the panel board and circuit to which the device connects, and then to identify which of several types of fixture are to be installed at that location.

toyota ecu pinouts
wilbo666 2jz gte vvti jzs161 aristo engine wiring
A set of wiring diagrams may be required by the electrical inspection authority to espouse association of the address to the public electrical supply system.
Wiring diagrams will along with count panel schedules for circuit breaker panelboards, and riser diagrams for special facilities such as flame alarm or closed circuit television or supplementary special services.
You Might Also Like :
[gembloong_related_posts count=3]
engine control toyota 89661 wiring diagram another image:

toyota ecu pinouts
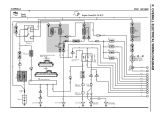
c 12925439 toyota coralla 1996 wiring diagram overall
wilbo666 1jz gte jzz30 soarer engine wiring

















