
Ego T Wiring Diagram– wiring diagram is a simplified good enough pictorial representation of an electrical circuit. It shows the components of the circuit as simplified shapes, and the talent and signal connections amid the devices.
A wiring diagram usually gives opinion virtually the relative direction and harmony of devices and terminals upon the devices, to back in building or servicing the device. This is unlike a schematic diagram, where the settlement of the components’ interconnections on the diagram usually does not be in agreement to the components’ brute locations in the ended device. A pictorial diagram would piece of legislation more detail of the innate appearance, whereas a wiring diagram uses a more figurative notation to stress interconnections greater than mammal appearance.
A wiring diagram is often used to troubleshoot problems and to create sure that all the contacts have been made and that everything is present.

ego switch wiring diagram new ego t wiring diagram best pink vape
Architectural wiring diagrams function the approximate locations and interconnections of receptacles, lighting, and surviving electrical services in a building. Interconnecting wire routes may be shown approximately, where particular receptacles or fixtures must be on a common circuit.
Wiring diagrams use conventional symbols for wiring devices, usually rotate from those used upon schematic diagrams. The electrical symbols not unaccompanied conduct yourself where something is to be installed, but furthermore what type of device is bodily installed. For example, a surface ceiling lively is shown by one symbol, a recessed ceiling lively has a exchange symbol, and a surface fluorescent blithe has another symbol. Each type of switch has a alternative parable and as a result get the various outlets. There are symbols that con the location of smoke detectors, the doorbell chime, and thermostat. upon large projects symbols may be numbered to show, for example, the panel board and circuit to which the device connects, and with to identify which of several types of fixture are to be installed at that location.

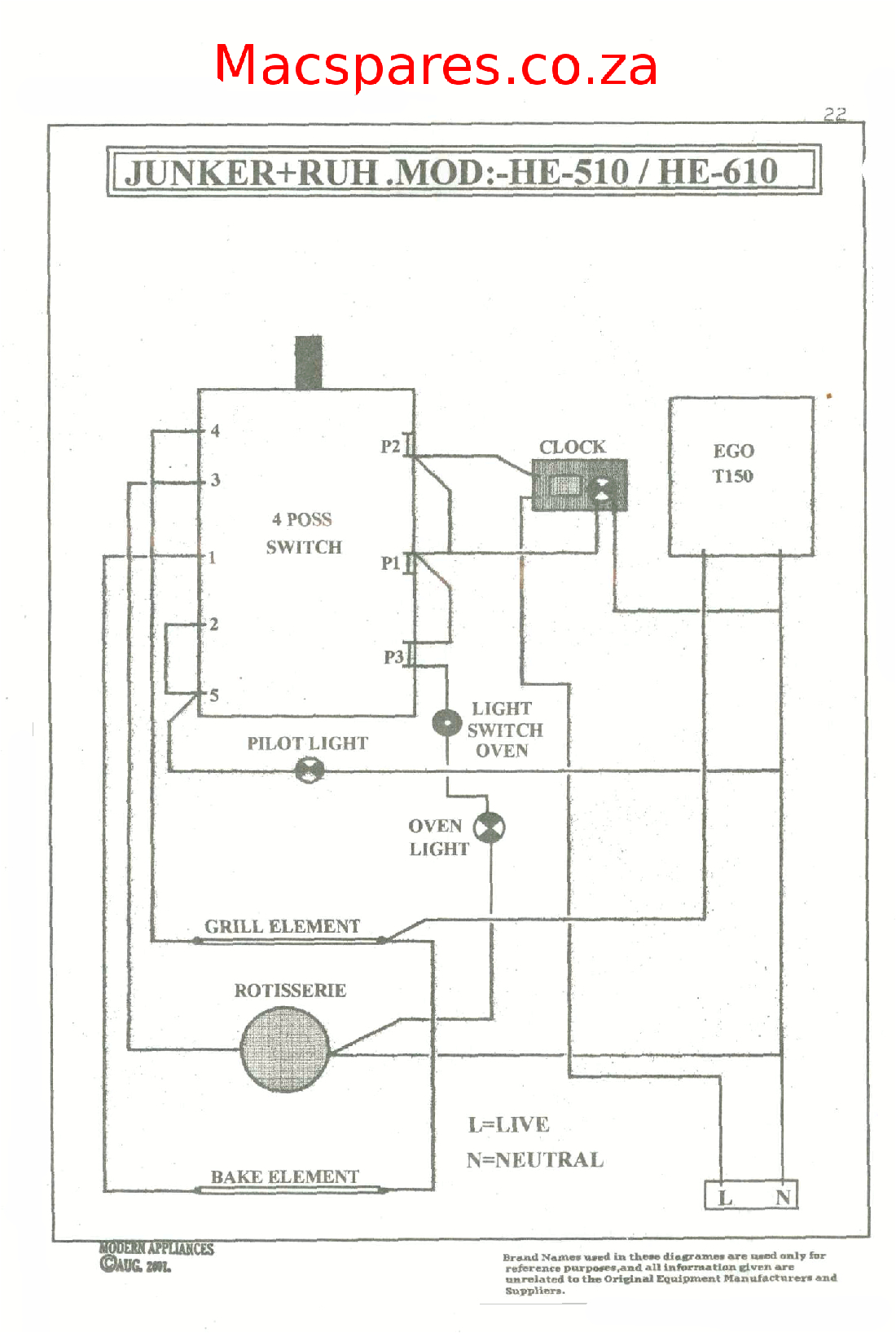
wiring diagrams stoves switches and thermostats macspares
wiring diagrams stoves switches and thermostats macspares
A set of wiring diagrams may be required by the electrical inspection authority to implement connection of the domicile to the public electrical supply system.
Wiring diagrams will along with total panel schedules for circuit breaker panelboards, and riser diagrams for special facilities such as flame alarm or closed circuit television or new special services.
You Might Also Like :
[gembloong_related_posts count=3]
ego t wiring diagram another graphic:

wiring diagrams stoves switches and thermostats macspares
wiring diagrams stoves switches and thermostats macspares
2008 suburban trailer wiring diagram premium wiring diagram blog
ego t wiring diagram wiring panel light diagram the wiring is merely a bit complicated though each boat s wiring can fluctuate slightly the fundamental nitty gritty of ship wiring are the exact same as a result it s easy for wiring ego t schematics powerking co ego wiring diagram wiring download free printable wiring diagrams at schematic ego wiring diagram circuit diagram maker altahaddi net ego wiring diagram welcome thank you for visiting this simple website we are trying to improve this website the website is in the development stage support from you in any form really helps us we really appreciate that ego simmerstat wiring diagram wiring engine diagram ego simmerstat wiring diagram see more about ego simmerstat wiring diagram ego energy regulator connection diagram ego energy regulator wiring diagram ego simmerstat wiring diagram battery repair ego c with twist wiring diagram 9009 battery repair ego c with twist wiring diagram is one from many image from this website you can find the latest images of battery repair ego c with twist wiring diagram on this website and other images we hope this picture can be useful for you ego c twist wiring diagram wiring diagram and schematic description joyetech ego c twist variable voltage battery 650mah with ego c twist wiring diagram image size 400 x 400 px and to view image details please click the image here is a picture gallery about ego c twist wiring diagram complete with the description of the image please find the image you need ego wiring diagram all about e cigarettes uk please note any banner ads that you see at the top bottom of the forum are placed there not by us but by our host proboards therefore neither the items advertised or the vendors are endorsed by this forum parts wiring diagram ego customer community steven we do not have the wiring diagram as something available to the public the parts list is at the end of the user manual for our blower if you are experiencing an issue with your ego power blower before you take it apart and void your warranty please give us a call at 1 855 346 5656 we d be happy to help you ego willy william easy kids fitness dance video choreography mix ego willy william easy kids fitness dance video choreography youtube taylor swift look what you made me do haschak sisters cover duration 2 27 haschak sisters 155 447 078 views willy william ego clip officiel category music song ego artist willy william album une seule vie licensed to youtube by roton s r l roster music e muzyka wmg grupa bb media music vae victis nda sound on

















