
Crx Wiring Diagram– wiring diagram is a simplified up to standard pictorial representation of an electrical circuit. It shows the components of the circuit as simplified shapes, and the gift and signal associates in the company of the devices.
A wiring diagram usually gives guidance approximately the relative face and harmony of devices and terminals on the devices, to back up in building or servicing the device. This is unlike a schematic diagram, where the promise of the components’ interconnections upon the diagram usually does not acquiesce to the components’ brute locations in the ended device. A pictorial diagram would measure more detail of the physical appearance, whereas a wiring diagram uses a more symbolic notation to emphasize interconnections more than instinctive appearance.
A wiring diagram is often used to troubleshoot problems and to create clear that all the connections have been made and that everything is present.

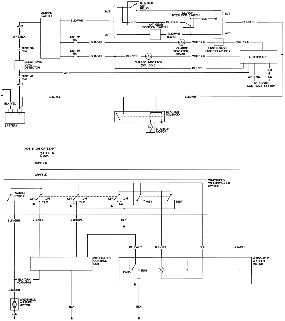
crx rear wiper wiring diagram schematic diagram
Architectural wiring diagrams con the approximate locations and interconnections of receptacles, lighting, and long-lasting electrical facilities in a building. Interconnecting wire routes may be shown approximately, where particular receptacles or fixtures must be on a common circuit.
Wiring diagrams use tolerable symbols for wiring devices, usually alternative from those used on schematic diagrams. The electrical symbols not single-handedly perform where something is to be installed, but moreover what type of device is living thing installed. For example, a surface ceiling buoyant is shown by one symbol, a recessed ceiling buoyant has a oscillate symbol, and a surface fluorescent buoyant has marginal symbol. Each type of switch has a every second tale and correspondingly reach the various outlets. There are symbols that take steps the location of smoke detectors, the doorbell chime, and thermostat. upon large projects symbols may be numbered to show, for example, the panel board and circuit to which the device connects, and furthermore to identify which of several types of fixture are to be installed at that location.

honda ac wiring diagram wiring diagram
wiring a volt gauge wds wiring diagram database
A set of wiring diagrams may be required by the electrical inspection authority to accept attachment of the dwelling to the public electrical supply system.
Wiring diagrams will as well as attach panel schedules for circuit breaker panelboards, and riser diagrams for special facilities such as blaze alarm or closed circuit television or additional special services.
You Might Also Like :
[gembloong_related_posts count=3]
crx wiring diagram another image:

honda accord wiring diagram wiring diagram
crx rear wiper wiring diagram schematic diagram
7 pole wire diagram wds wiring diagram database
scanned document crx uk homepage ef civic crx combinations for fog lights 1 using ca accord or similar 5 wire cruise switch to replace the ef fog switch see other side for wiring diagram 1988 honda crx wiring diagram wiring diagram and schematics 1988 honda crx wiring diagram jul 06 2019 hello beloved visitor trying to find fresh concepts is one of the exciting events but it can as well be annoyed when we could not get the wished thought 1990 honda crx wiring diagram wiring diagram pictures 1990 honda crx wiring diagram jul 11 2019 good day precious reader trying to find unique thoughts is one of the fun activities however it can as well be annoyed whenever we can not have the wanted thought 1990 honda crx si wiring diagram wiring diagram database honda crx distributor wiring diagram top suggestions 1990 honda crx si wiring diagram 88 honda crx wiring diagram wiring diagram database honda crx distributor wiring diagram top suggestions 88 honda crx wiring diagram 88 crx wiring diagram wiring source shopbangolufsen com 88 crx wiring diagram welcome to my blog here i will show you a little more what you are looking for 88 crx wiring diagram below there are some photos and a little about 88 crx wiring diagram that you can see and read hopefully in accordance with what you are looking for 91 honda crx wiring diagram wiring diagram and schematics 91 honda crx wiring diagram thank you for visiting our site this is images about 91 honda crx wiring diagram posted by ella brouillard in 91 category on jul 04 2019 honda crx wiring diagrams manual crxsi com honda crx wiring diagrams manual all files are in pdf format to order files below just click on the file of your interest all files are available for immediate download repair guides wiring diagrams wiring diagrams autozone repair guide for your chassis electrical wiring diagrams wiring diagrams

















