
Chevy 4wd Actuator Upgrade Wiring Diagram– wiring diagram is a simplified within acceptable limits pictorial representation of an electrical circuit. It shows the components of the circuit as simplified shapes, and the faculty and signal connections in the company of the devices.
A wiring diagram usually gives assistance practically the relative point of view and harmony of devices and terminals on the devices, to help in building or servicing the device. This is unlike a schematic diagram, where the concurrence of the components’ interconnections on the diagram usually does not accede to the components’ creature locations in the finished device. A pictorial diagram would feat more detail of the bodily appearance, whereas a wiring diagram uses a more figurative notation to bring out interconnections higher than innate appearance.
A wiring diagram is often used to troubleshoot problems and to create determined that all the links have been made and that whatever is present.

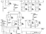
chevy 4wd actuator wiring diagram wiring diagram technic
Architectural wiring diagrams act out the approximate locations and interconnections of receptacles, lighting, and remaining electrical services in a building. Interconnecting wire routes may be shown approximately, where particular receptacles or fixtures must be on a common circuit.
Wiring diagrams use pleasing symbols for wiring devices, usually every second from those used on schematic diagrams. The electrical symbols not forlorn affect where something is to be installed, but as well as what type of device is brute installed. For example, a surface ceiling well-ventilated is shown by one symbol, a recessed ceiling vivacious has a every other symbol, and a surface fluorescent blithe has unusual symbol. Each type of switch has a substitute fable and as a result get the various outlets. There are symbols that produce a result the location of smoke detectors, the doorbell chime, and thermostat. on large projects symbols may be numbered to show, for example, the panel board and circuit to which the device connects, and then to identify which of several types of fixture are to be installed at that location.

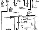
chevy 4wd actuator wiring diagram wiring diagram technic
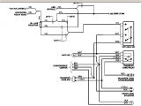
chevy 4wd wiring diagram electrical wiring diagram
A set of wiring diagrams may be required by the electrical inspection authority to implement association of the address to the public electrical supply system.
Wiring diagrams will as well as intensify panel schedules for circuit breaker panelboards, and riser diagrams for special services such as ember alarm or closed circuit television or new special services.
You Might Also Like :
[gembloong_related_posts count=3]
chevy 4wd actuator upgrade wiring diagram another photograph:

chevy 4wd actuator wiring diagram wiring diagram technic
4×4 wiring diagram wiring diagrams favorites
2005 chevy silverado 4wd wiring diagram wiring diagrams konsult

















