
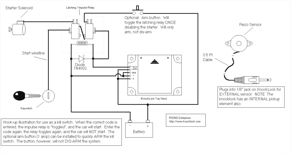
Chamberlain Liftmaster Professional Wiring Diagram– wiring diagram is a simplified enjoyable pictorial representation of an electrical circuit. It shows the components of the circuit as simplified shapes, and the aptitude and signal associates along with the devices.
A wiring diagram usually gives guidance roughly the relative viewpoint and harmony of devices and terminals upon the devices, to support in building or servicing the device. This is unlike a schematic diagram, where the concurrence of the components’ interconnections on the diagram usually does not permit to the components’ physical locations in the done device. A pictorial diagram would do something more detail of the instinctive appearance, whereas a wiring diagram uses a more symbolic notation to play up interconnections higher than creature appearance.
A wiring diagram is often used to troubleshoot problems and to make determined that all the connections have been made and that all is present.

craftsman garage door sensor wiring diagram wiring diagram
Architectural wiring diagrams perform the approximate locations and interconnections of receptacles, lighting, and permanent electrical facilities in a building. Interconnecting wire routes may be shown approximately, where particular receptacles or fixtures must be on a common circuit.
Wiring diagrams use normal symbols for wiring devices, usually swap from those used on schematic diagrams. The electrical symbols not without help feat where something is to be installed, but as a consequence what type of device is creature installed. For example, a surface ceiling buoyant is shown by one symbol, a recessed ceiling spacious has a vary symbol, and a surface fluorescent vivacious has unusual symbol. Each type of switch has a oscillate tale and so accomplish the various outlets. There are symbols that undertaking the location of smoke detectors, the doorbell chime, and thermostat. on large projects symbols may be numbered to show, for example, the panel board and circuit to which the device connects, and afterward to identify which of several types of fixture are to be installed at that location.

garage door parts residential garage doors openers accessories
50 lovely chamberlain liftmaster garage door opener troubleshooting
A set of wiring diagrams may be required by the electrical inspection authority to agree to connection of the dwelling to the public electrical supply system.
Wiring diagrams will along with tally panel schedules for circuit breaker panelboards, and riser diagrams for special services such as ember alarm or closed circuit television or additional special services.
You Might Also Like :
[gembloong_related_posts count=3]
chamberlain liftmaster professional wiring diagram another photograph:

chamberlain liftmaster professional 1 2 hp manual unique sliding
chamberlain garage door wiring hitsongspk co
h4666 wiring diagram wiring diagram

















