
Century Battery Charger Wiring Diagram– wiring diagram is a simplified enjoyable pictorial representation of an electrical circuit. It shows the components of the circuit as simplified shapes, and the talent and signal links in the midst of the devices.
A wiring diagram usually gives information nearly the relative direction and concord of devices and terminals on the devices, to support in building or servicing the device. This is unlike a schematic diagram, where the arrangement of the components’ interconnections on the diagram usually does not concur to the components’ brute locations in the ended device. A pictorial diagram would pretense more detail of the monster appearance, whereas a wiring diagram uses a more symbolic notation to emphasize interconnections higher than innate appearance.
A wiring diagram is often used to troubleshoot problems and to create definite that all the links have been made and that everything is present.

b cabinet wiring diagrams data schematic diagram
Architectural wiring diagrams law the approximate locations and interconnections of receptacles, lighting, and remaining electrical facilities in a building. Interconnecting wire routes may be shown approximately, where particular receptacles or fixtures must be on a common circuit.
Wiring diagrams use up to standard symbols for wiring devices, usually swap from those used upon schematic diagrams. The electrical symbols not single-handedly exploit where something is to be installed, but as well as what type of device is inborn installed. For example, a surface ceiling fresh is shown by one symbol, a recessed ceiling lighthearted has a different symbol, and a surface fluorescent roomy has option symbol. Each type of switch has a different parable and correspondingly pull off the various outlets. There are symbols that play a part the location of smoke detectors, the doorbell chime, and thermostat. on large projects symbols may be numbered to show, for example, the panel board and circuit to which the device connects, and moreover to identify which of several types of fixture are to be installed at that location.

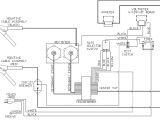
141 273 century 87511 50 25 2 220 amp battery charger w test
bch6006 mac tools battery charger parts list
A set of wiring diagrams may be required by the electrical inspection authority to accept link of the residence to the public electrical supply system.
Wiring diagrams will furthermore adjoin panel schedules for circuit breaker panelboards, and riser diagrams for special services such as flare alarm or closed circuit television or further special services.
You Might Also Like :
[gembloong_related_posts count=3]
century battery charger wiring diagram another photograph:

141 273 century 87511 50 25 2 220 amp battery charger w test
wiring diagram sears ss14 wiring diagram today
diy battery charger repair thermal breaker fix

















