
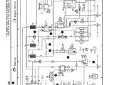
C3 Corvette Starter Wiring Diagram– wiring diagram is a simplified okay pictorial representation of an electrical circuit. It shows the components of the circuit as simplified shapes, and the facility and signal connections along with the devices.
A wiring diagram usually gives suggestion practically the relative twist and covenant of devices and terminals on the devices, to urge on in building or servicing the device. This is unlike a schematic diagram, where the union of the components’ interconnections on the diagram usually does not assent to the components’ mammal locations in the over and done with device. A pictorial diagram would statute more detail of the mammal appearance, whereas a wiring diagram uses a more symbolic notation to stress interconnections higher than being appearance.
A wiring diagram is often used to troubleshoot problems and to make determined that all the friends have been made and that whatever is present.

76 corvette stingray wiring diagram blog wiring diagram
Architectural wiring diagrams appear in the approximate locations and interconnections of receptacles, lighting, and unshakable electrical facilities in a building. Interconnecting wire routes may be shown approximately, where particular receptacles or fixtures must be on a common circuit.
Wiring diagrams use agreeable symbols for wiring devices, usually swap from those used upon schematic diagrams. The electrical symbols not lonesome put on an act where something is to be installed, but also what type of device is brute installed. For example, a surface ceiling light is shown by one symbol, a recessed ceiling vivacious has a swap symbol, and a surface fluorescent lively has unconventional symbol. Each type of switch has a oscillate symbol and appropriately accomplish the various outlets. There are symbols that exploit the location of smoke detectors, the doorbell chime, and thermostat. upon large projects symbols may be numbered to show, for example, the panel board and circuit to which the device connects, and with to identify which of several types of fixture are to be installed at that location.

79 chevy wiring diagram pro wiring diagram
76 corvette stingray wiring diagram blog wiring diagram
A set of wiring diagrams may be required by the electrical inspection authority to take on attachment of the address to the public electrical supply system.
Wiring diagrams will also add together panel schedules for circuit breaker panelboards, and riser diagrams for special services such as flare alarm or closed circuit television or further special services.
You Might Also Like :
[gembloong_related_posts count=3]
c3 corvette starter wiring diagram another graphic:

1986 wiring diagram chevy v8 diagram base website chevy v8
76 corvette stingray wiring diagram blog wiring diagram
e241bfa citroen c3 starter motor wiring diagram wiring library
c3 corvette wiring diagrams 1968 1982 zip corvette has the best quality corvette parts available for your 1968 1982 corvette whether you re maintaining your shark corvette or completing a full restoration our selection of c3 corvette electrical system parts is unsurpassed our inventory selection includes wiring diagrams to aid in your corvette restoration in addition zip stands behind all of our corvette parts with our no starter wiring official c3 vette registry c3 corvette the wire colors on my starter do not jive with any of the wiring diagrams so i m hoping someone can help what is there is the following large black wire goes to the large post on the starter c3 corvette restorationturn signals total re wire brake lamps v148 c3 corvette restorationturn signals total re wire brake lamps v148 c3 corvette engine wiring harness removal and install in hd corvette hop duration 12 07 corvettehop 15 053 views 12 need help with starter wiring chevy corvette forum c3 corvette forums c3 tech performance need help with starter wiring jump to latest follow 1 7 of 7 posts h honker registered joined nov 9 2010 32 posts discussion starter 1 nov 9 2010 i m trying to put my 73 vette back together and ran into a little problem with the starter wiring the harness with the starter wires has one red wire 12ga that looks like it corvette wiring c3 corvette engine wiring harness removal and install 1980 corvette wiring repairs duration 11 12 the mocking mechanic 1 516 views 11 12 how to repair rust on your car without welding chevrolet corvette service manuals free download chevrolet corvette history chevrolet corvette a two wheel drive sports car produced under the brand chevrolet by general motors in the us since 1953 nowadays chevrolet corvette cars are assembled at general motors plants in bowling green kentucky main factory flint michigan and st louis missouri wiring and interior installation c3 corvette restoration wiring and interior installation c3 corvette restoration guide covers engines 262 265 267 283 302 305 327 350 and 400 ci c4 corvette wiring diagram free wiring diagram assortment of c4 corvette wiring diagram a wiring diagram is a streamlined conventional pictorial depiction of an electric circuit it shows the parts of the circuit as simplified forms as well as the power and also signal connections between the devices 68 82 corvette wiring diagrams tumbleweed transmission tumbleweed transmission search this site home recent site activity home corvette photos corvette pics 2 corvette pics page 3 general pics 1958 mga 1958 mga 1964 cadillac goldwing stuff home stuff cable hvac roof goofy stuff tech stuff 68 82 corvette wiring diagrams 1974 assembly manual misc corvette electrical stuff specific diagrams 4t60e chain issues 700 trans stuff

















