Briggs and Stratton 13.5 Hp Wiring Diagram


Warning: count(): Parameter must be an array or an object that implements Countable in /var/www/html/autocardesign.org/wp-content/themes/silegan-wordpress-theme/inc/themeson.class.php on line 625
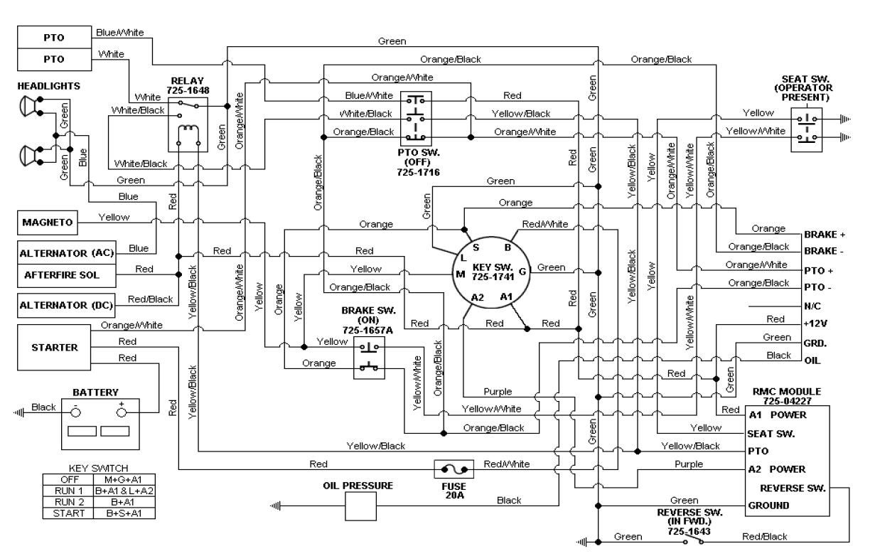
Briggs and Stratton 13.5 Hp Wiring Diagram Rm 0906 18 5 Briggs and Stratton Engine Diagram Free Diagram
Briggs and Stratton 13.5 Hp Wiring Diagram Rm 0906 18 5 Briggs and Stratton Engine Diagram Free Diagram