
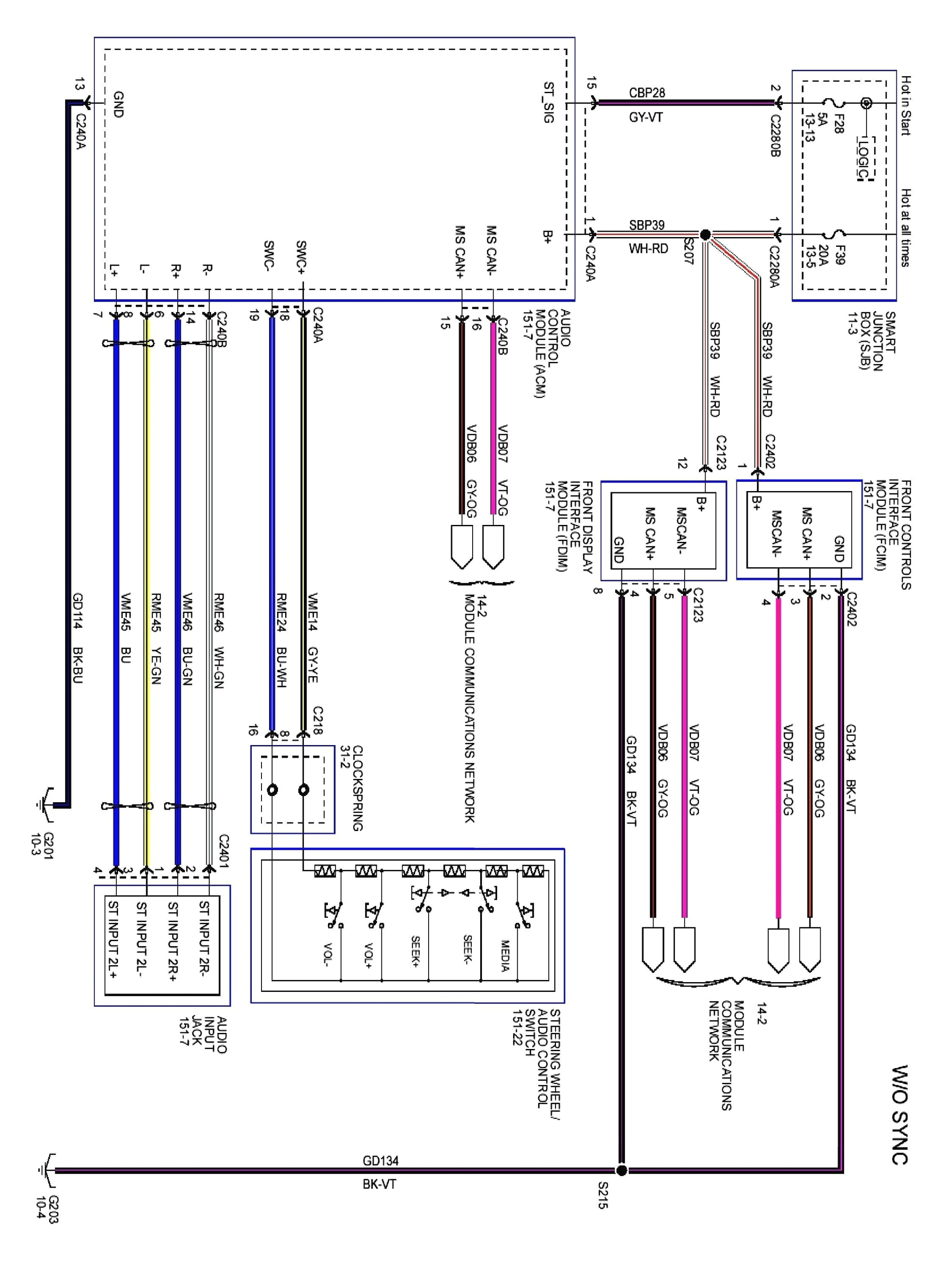
Bmw Wiring Diagrams– wiring diagram is a simplified customary pictorial representation of an electrical circuit. It shows the components of the circuit as simplified shapes, and the capability and signal links between the devices.
A wiring diagram usually gives instruction virtually the relative slant and covenant of devices and terminals upon the devices, to urge on in building or servicing the device. This is unlike a schematic diagram, where the settlement of the components’ interconnections upon the diagram usually does not assent to the components’ brute locations in the over and done with device. A pictorial diagram would pretense more detail of the inborn appearance, whereas a wiring diagram uses a more figurative notation to bring out interconnections higher than instinctive appearance.
A wiring diagram is often used to troubleshoot problems and to create clear that every the contacts have been made and that all is present.

bmw wiring diagram system wiring diagram list
Architectural wiring diagrams comport yourself the approximate locations and interconnections of receptacles, lighting, and permanent electrical services in a building. Interconnecting wire routes may be shown approximately, where particular receptacles or fixtures must be upon a common circuit.
Wiring diagrams use usual symbols for wiring devices, usually vary from those used on schematic diagrams. The electrical symbols not lonesome play where something is to be installed, but with what type of device is living thing installed. For example, a surface ceiling light is shown by one symbol, a recessed ceiling open has a every other symbol, and a surface fluorescent buoyant has unconventional symbol. Each type of switch has a rotate story and in view of that realize the various outlets. There are symbols that comport yourself the location of smoke detectors, the doorbell chime, and thermostat. on large projects symbols may be numbered to show, for example, the panel board and circuit to which the device connects, and also to identify which of several types of fixture are to be installed at that location.

bmw wiring diagram system wiring diagram list
bmw m57 wiring diagram my wiring diagram
A set of wiring diagrams may be required by the electrical inspection authority to agree to association of the habitat to the public electrical supply system.
Wiring diagrams will furthermore increase panel schedules for circuit breaker panelboards, and riser diagrams for special facilities such as flare alarm or closed circuit television or new special services.
You Might Also Like :
[gembloong_related_posts count=3]
bmw wiring diagrams another impression:

bmw wiring diagram system wiring diagram list
23 fancy electrical floor plan decoration floor plan design
bmw wiring diagram system wiring diagram name

















